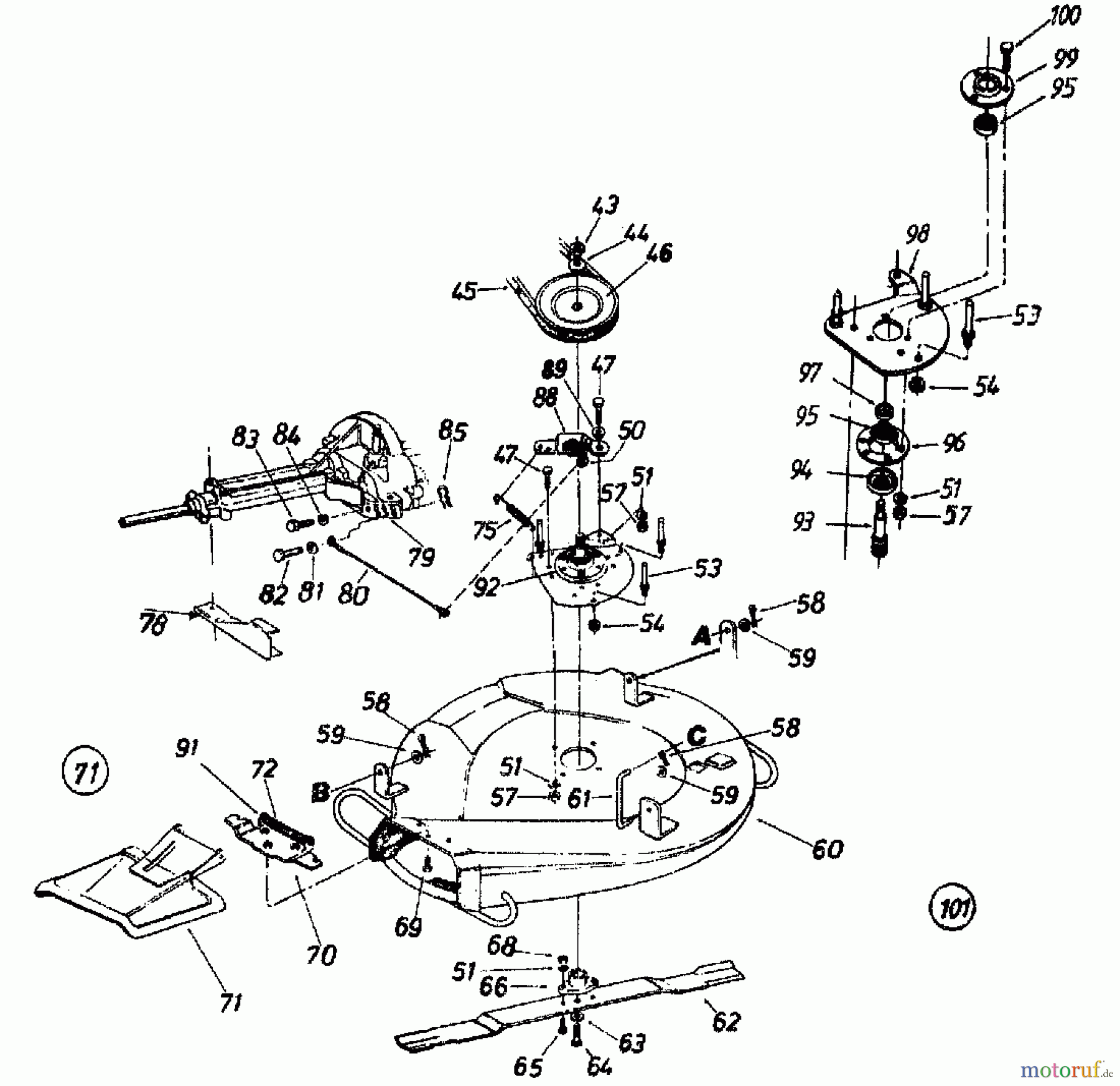
MTD 8/66 139-5020 (1989) Mähwerk 26"/66cm Ersatzteile
Mähwerk 26"/66cm 139-5020 (1989)

Hier finden Sie die Ersatzteilzeichnung für MTD Rasentraktoren 8/66 139-5020 (1989) Mähwerk 26"/66cm. Wählen Sie das benötigte Ersatzteil aus der Ersatzteilliste Ihres MTD Gerätes aus und bestellen Sie einfach online. Viele MTD Ersatzteile halten wir ständig in unserem Lager für Sie bereit.
Häufig benötigte MTD 8/66 139-5020 (1989) Mähwerk 26"/66cm Ersatzteile

Artikelnummer: 748-0300
Suche nach: 748-0300
Hersteller: MTD
MTD Ersatzteil Mähwerk 26"/66cm
Suche nach: 748-0300
Hersteller: MTD
MTD Ersatzteil Mähwerk 26"/66cm
18.30 €
für EU incl. MwSt., zzgl. Versand


Qualitätsmanagement
Informieren Sie uns, wenn Sie einen Fehler gefunden haben.




















