MTD 16/107 135T615G678 (1995) Lenkung, Räder, Vorderachse Ersatzteile
Lenkung, Räder, Vorderachse 135T615G678 (1995)

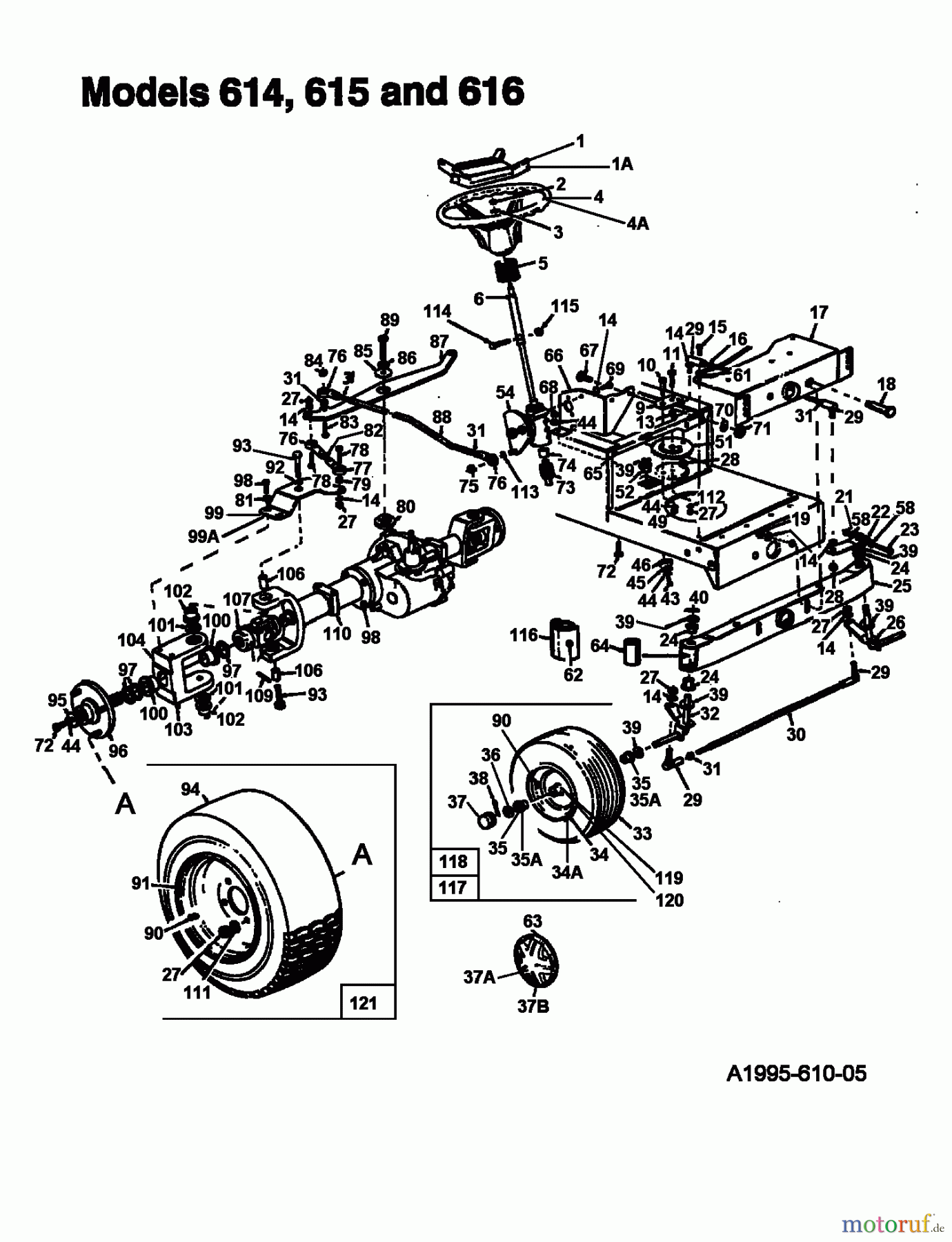
Hier finden Sie die Ersatzteilzeichnung für MTD Rasentraktoren 16/107 135T615G678 (1995) Lenkung, Räder, Vorderachse. Wählen Sie das benötigte Ersatzteil aus der Ersatzteilliste Ihres MTD Gerätes aus und bestellen Sie einfach online. Viele MTD Ersatzteile halten wir ständig in unserem Lager für Sie bereit.
Häufig benötigte MTD 16/107 135T615G678 (1995) Lenkung, Räder, Vorderachse Ersatzteile

Artikelnummer: 723-3018
Suche nach: 723-3018
Hersteller: MTD
MTD Ersatzteil Lenkung, Räder, Vorderachse
Suche nach: 723-3018
Hersteller: MTD
MTD Ersatzteil Lenkung, Räder, Vorderachse
21.32 €
für EU incl. MwSt., zzgl. Versand


Qualitätsmanagement
Informieren Sie uns, wenn Sie einen Fehler gefunden haben.




































