MTD 15,5/107 13AM763G662 (2007) Mähwerk G (42"/107cm) Ersatzteile
Mähwerk G (42"/107cm) 13AM763G662 (2007)

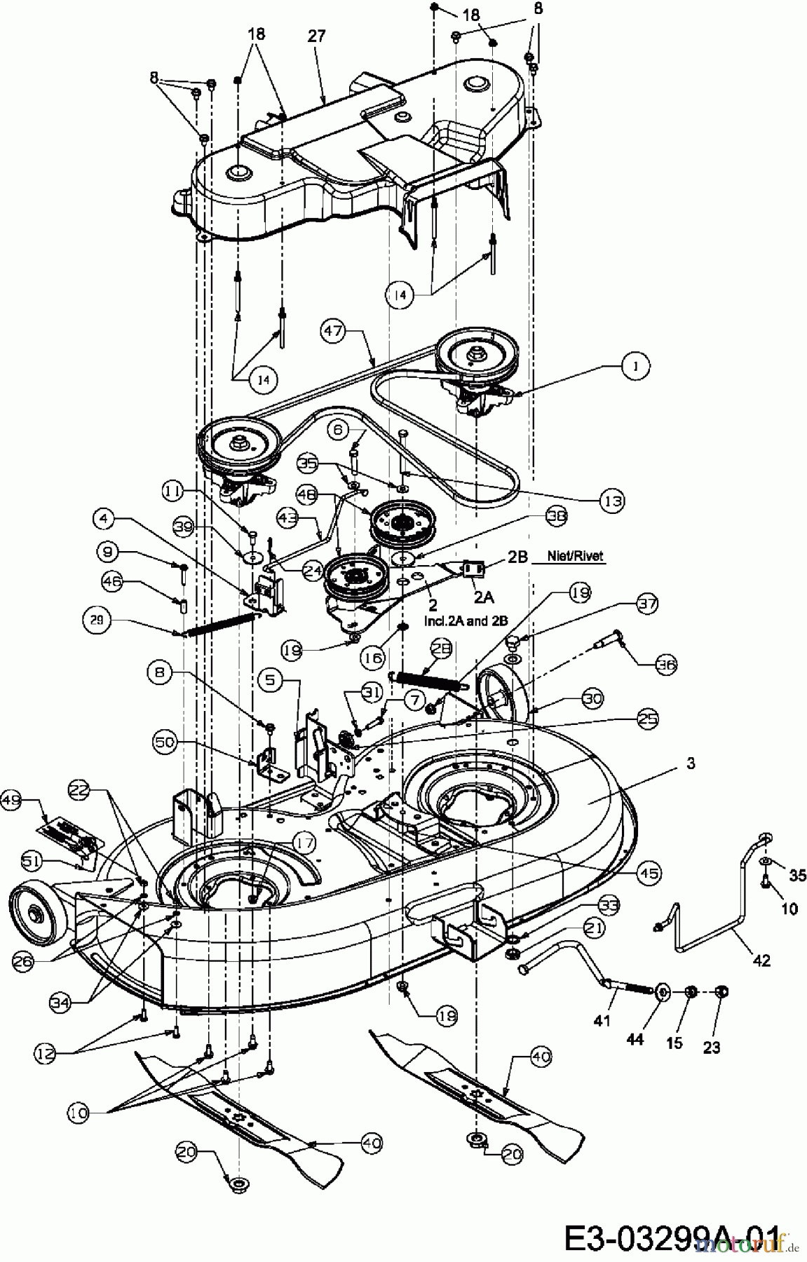
Hier finden Sie die Ersatzteilzeichnung für MTD Rasentraktoren 15,5/107 13AM763G662 (2007) Mähwerk G (42"/107cm). Wählen Sie das benötigte Ersatzteil aus der Ersatzteilliste Ihres MTD Gerätes aus und bestellen Sie einfach online. Viele MTD Ersatzteile halten wir ständig in unserem Lager für Sie bereit.


Qualitätsmanagement
Informieren Sie uns, wenn Sie einen Fehler gefunden haben.

































