MTD 125/96 13AH650F752 (2004) Fahrantrieb Ersatzteile
Fahrantrieb 13AH650F752 (2004)

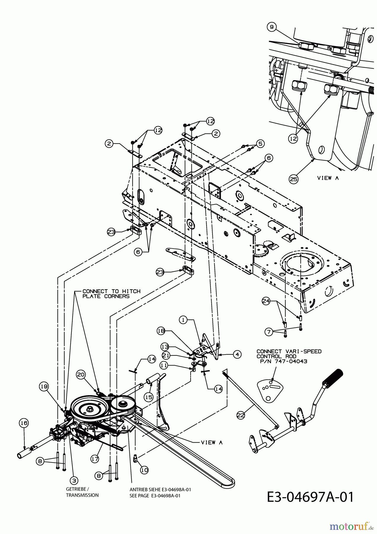
Hier finden Sie die Ersatzteilzeichnung für MTD Rasentraktoren 125/96 13AH650F752 (2004) Fahrantrieb. Wählen Sie das benötigte Ersatzteil aus der Ersatzteilliste Ihres MTD Gerätes aus und bestellen Sie einfach online. Viele MTD Ersatzteile halten wir ständig in unserem Lager für Sie bereit.












