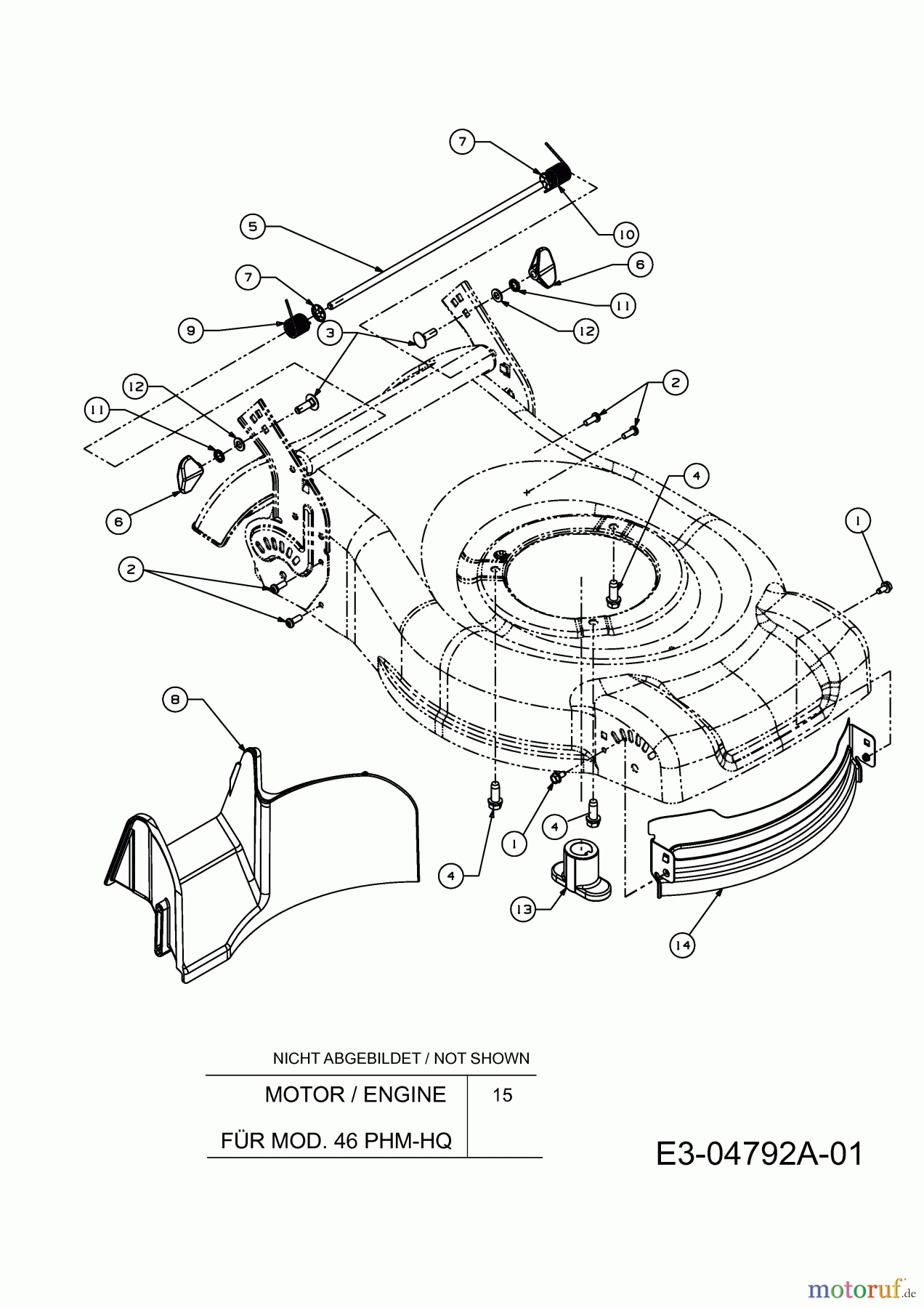
MTD 46 PHM-HQ 11D-J1AQ616 (2009) Leitblech vorne, Leitstück hinten, Messeraufnahme, Motor Ersatzteile
Leitblech vorne, Leitstück hinten, Messeraufnahme, Motor 11D-J1AQ616 (2009)

Hier finden Sie die Ersatzteilzeichnung für MTD Motormäher 46 PHM-HQ 11D-J1AQ616 (2009) Leitblech vorne, Leitstück hinten, Messeraufnahme, Motor. Wählen Sie das benötigte Ersatzteil aus der Ersatzteilliste Ihres MTD Gerätes aus und bestellen Sie einfach online. Viele MTD Ersatzteile halten wir ständig in unserem Lager für Sie bereit.


Qualitätsmanagement
Informieren Sie uns, wenn Sie einen Fehler gefunden haben.







