Einkaufswagen
Mein Konto

MTD GEA 48 GX50B678 (1997) Ersatzteile

GX50B678 (1997) GEA 48

 MTD Motormäher GEA 48 GX50B678  (1997) Grundgerät

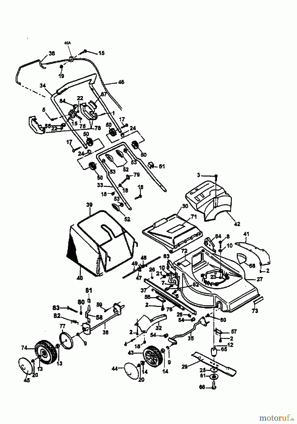
Hier finden Sie die Ersatzteilzeichnung für MTD Motormäher GEA 48 GX50B678 (1997) Grundgerät. Wählen Sie das benötigte Ersatzteil aus der Ersatzteilliste Ihres MTD Gerätes aus und bestellen Sie einfach online. Viele MTD Ersatzteile halten wir ständig in unserem Lager für Sie bereit.

BildNrArtikel NummerBezeichnung
1 CP025040SCHRAUBE M5X45
2 CP026016SKT.-SCHRAUBE
3 CP026332SKT.-SCHRAUBE
4 CP030516SKT.-SCHRAUBE + MUTTER
5 CP030640KREUZSCHL.-SCHRAUBE
6 CP030816SKT.-SCHRAUBE
7 CP030845SKT.-SCHRAUBE M8 X 45
8 CP030855SKT.-SCHRAUBE M8 X 55
9 CP032813FEDERSCHEIBE B13X24X1
10 CP032908UNTERLAGSSCHEIBE D8 UNI6952
12 CP037406PASSFEDER
13 MTD KUGELLAGERCP038226KUGELLAGER
14 MTD KUGELLAGERCP038227KUGELLAGER
15 CP040635KREUZSCHLITZSCHRAUBE
16 CP040850SCHLOSS-SCHRAUBE
17 CP040875SCHLOSS-SCHRAUBE
18 CP042805SKT.-MUTTER
19 CP042806SKT.-MUTTER M6
20 MTD SPEZIALMUTTER M8CP042808SPEZIALMUTTER M8
21 CP044708SKT.-STOPMUTTER M8 UNI 747
22 CP044906SKT.-STOPMUTTER M6 UNI7473
23 CP044908SKT.-STOPMUTTER
24 CP045722KAPPE (KUNSTSTOFF)
25 CP045918TELLERFEDER
26 CP046904SICHERUNGSRING
27 CP050001.02RASENMÄHERGEHÄUSE ROT RAL 3000
29 CP050013MESSER 47CM
30 CP050018HECKKLAPPE
32 CP050028DEFLEKTOR UNTEN
33 CP050033UNTERHOLM
34 CP050043HOLMOBERTEIL
35 CP050048VORDERACHSE VOLLST.
36 CP050053HINTERACHSE
37 CP050063SCHIENE
38 CP050071SCHALTHEBEL
39 CP050078RAHMEN
40 CP050083.05GRASFANGSACK GEW.SCHW.NEUTRAL
41 CP050093SCHUTZABDECKUNG
42 CP050096KEILRIEMENABDECKUNG
43 CP050108RAD KOMPL. MIT KUGELLAGER
44 CP050128RADKAPPE
45 CP050133RADKAPPE
46 MTD BOWDENZUG L=1310CP050146BOWDENZUG L=1310
46A CP042216KABELHALTER (CLIP)
47 MTD SCHENKELFEDERCP050192SCHENKELFEDER
48 CP050193SCHENKELFEDER
49 CP050203STANGE HECKKLAPPE: 57cm DECK
50 CP050212RASTERTEIL HOLMVERSTELLUNG
51 CP050222KABELKLEMME
52 CP050228FLÜGELMUTTER FÜR HOLM M8
53 CP050230KLEMMSCHEIBE PLASTIC
54 CP050232BUCHSE
55 CP050243HALTER
56 CP050246HALTEPLATTE
57 CP050250HALTEWINKEL
58 CP047254HEBEL
59 CP050256STELLSCHRAUBE
60 CP050258BOLZEN
61 CP050260UNTERLAGSSCHEIBE E-TEIL-SET
62 CP050266UNTERLEGSCHEIBE
63 CP050268HOLMHALTERUNG RE.
64 CP050269HOLMHALTERUNG LINKS
65 CP050272MESSERHALTER
66 CP050976SKT.-SCHRAUBE
67 CP053710AUFKLEBER
68 CP053715WARNHINWEISE:EXPLOSIONSGEFAHR
71 CP053760AUFKLEBER
72 CP053810AUFKLEBER
73 CP053855MTD-AUFKLEBER
74 CP056118RAD
75 CP056143BOWDENZUG VOLLSTÄNDIG
76 CP056192ZUGFEDER
77 CP056214RADABDECKUNG INNEN
78 CP056226GASFERNBEDIENUNG KPL.,
79 CP056242SEILFÜHRUNG
80 CP046606KLEMMRING
81 CP047236HANDGRIFF
82 CP047191BÜGELFEDER
83 CP047267BOLZEN
84 CP047250GASHEBEL
Rasen
Bankeinzug, MasterCard, Visa, American Express, PayPal, Nachnahme, Vorauskasse, Sofortüberweisung
Qualitätsmanagement
Informieren Sie uns, wenn Sie einen Fehler gefunden haben.