MTD GE 46 11A-T34Z678 (1998) Grasfangkorb, Messer, Motor Ersatzteile
Grasfangkorb, Messer, Motor 11A-T34Z678 (1998)

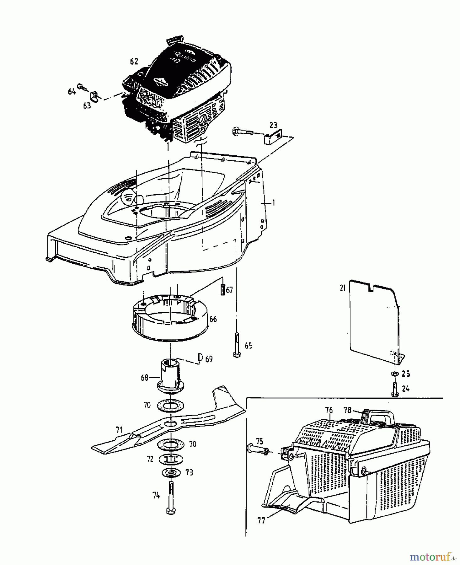
Hier finden Sie die Ersatzteilzeichnung für MTD Motormäher GE 46 11A-T34Z678 (1998) Grasfangkorb, Messer, Motor. Wählen Sie das benötigte Ersatzteil aus der Ersatzteilliste Ihres MTD Gerätes aus und bestellen Sie einfach online. Viele MTD Ersatzteile halten wir ständig in unserem Lager für Sie bereit.


Qualitätsmanagement
Informieren Sie uns, wenn Sie einen Fehler gefunden haben.


