MTD GE 40 11C-L34G678 (2004) Ersatzteile
11C-L34G678 (2004) GE 40

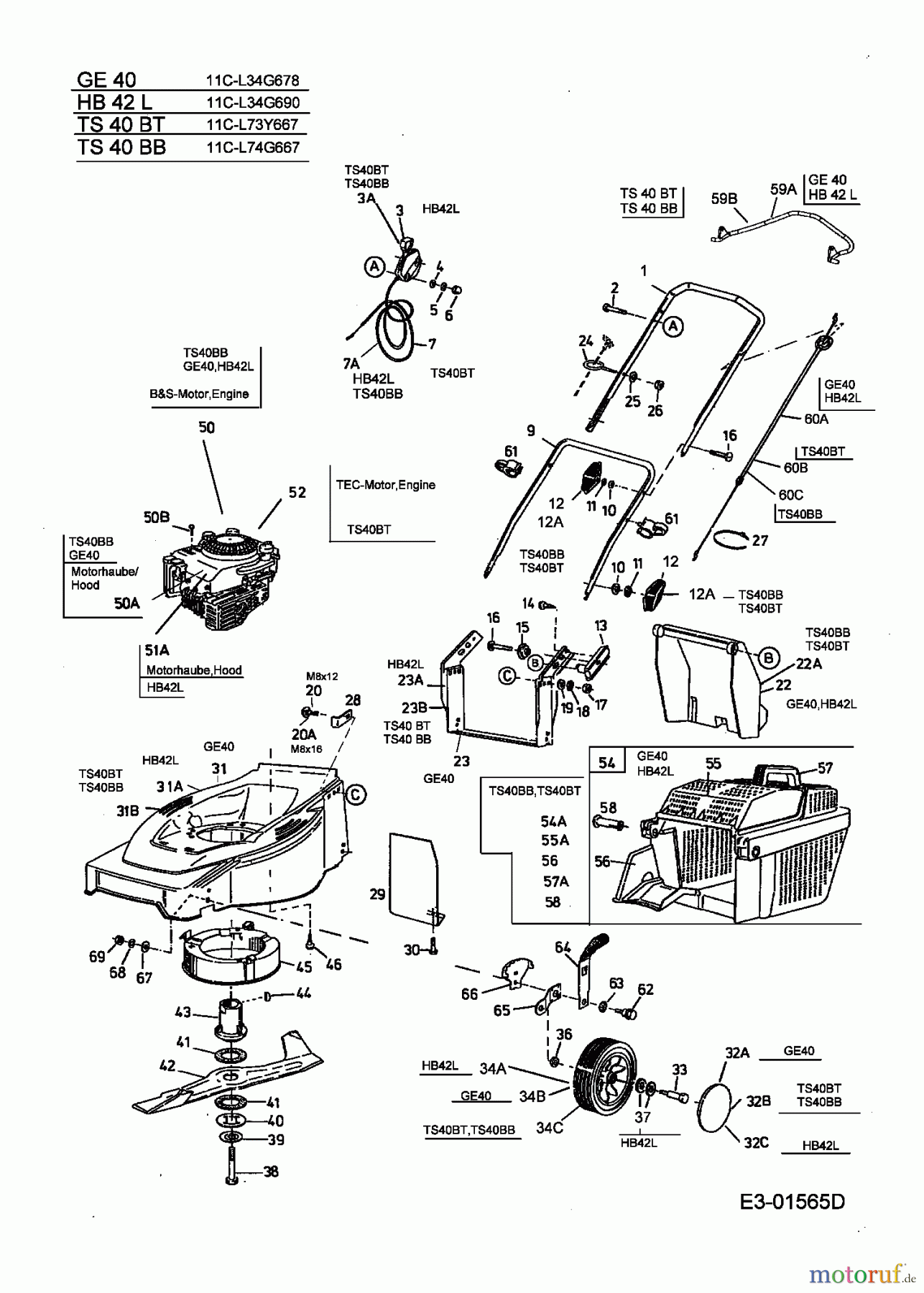
Hier finden Sie die Ersatzteilzeichnung für MTD Motormäher GE 40 11C-L34G678 (2004) Grundgerät. Wählen Sie das benötigte Ersatzteil aus der Ersatzteilliste Ihres MTD Gerätes aus und bestellen Sie einfach online. Viele MTD Ersatzteile halten wir ständig in unserem Lager für Sie bereit.






















