MTD Euro-Star 46 111-604R (1991) Ersatzteile
111-604R (1991) Euro-Star 46

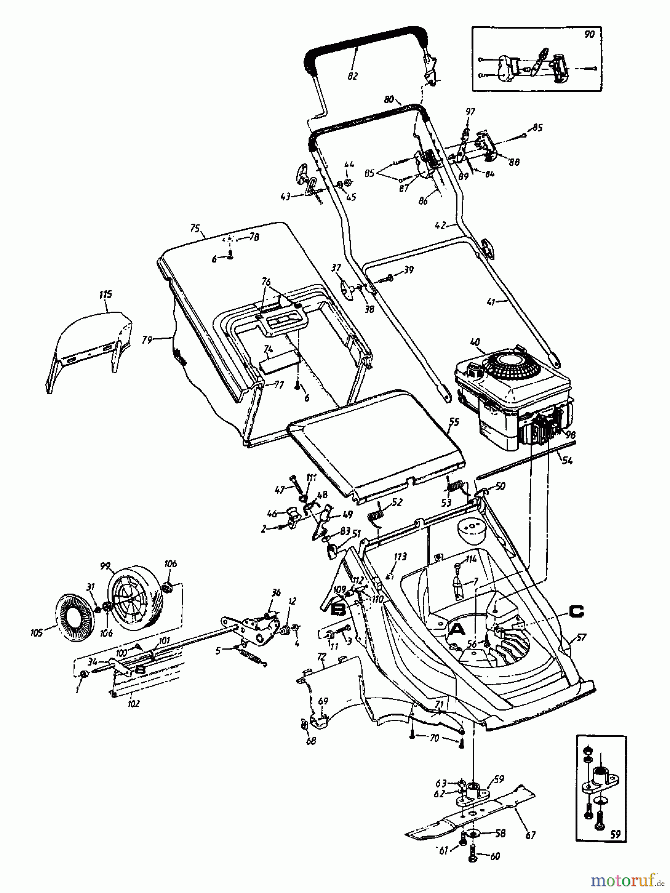
Hier finden Sie die Ersatzteilzeichnung für MTD Motormäher Euro-Star 46 111-604R (1991) Grundgerät. Wählen Sie das benötigte Ersatzteil aus der Ersatzteilliste Ihres MTD Gerätes aus und bestellen Sie einfach online. Viele MTD Ersatzteile halten wir ständig in unserem Lager für Sie bereit.


Qualitätsmanagement
Informieren Sie uns, wenn Sie einen Fehler gefunden haben.













