MTD 53 PO 11A-84MF600 (2008) Abdeckung hinten, Leitblech vorne Ersatzteile
Abdeckung hinten, Leitblech vorne 11A-84MF600 (2008)

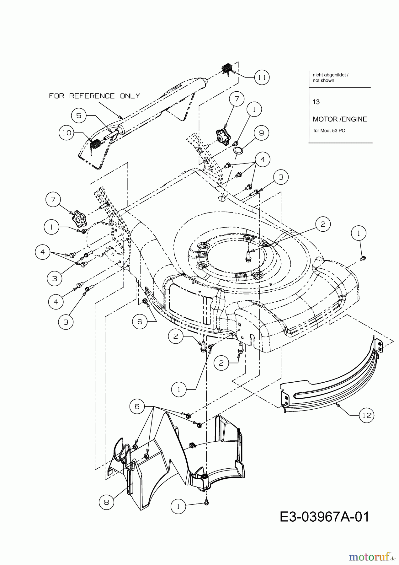
Hier finden Sie die Ersatzteilzeichnung für MTD Motormäher 53 PO 11A-84MF600 (2008) Abdeckung hinten, Leitblech vorne. Wählen Sie das benötigte Ersatzteil aus der Ersatzteilliste Ihres MTD Gerätes aus und bestellen Sie einfach online. Viele MTD Ersatzteile halten wir ständig in unserem Lager für Sie bereit.


Qualitätsmanagement
Informieren Sie uns, wenn Sie einen Fehler gefunden haben.




