MTD 430 A 902B437A001 (1995) Ersatzteile
902B437A001 (1995) 430 A

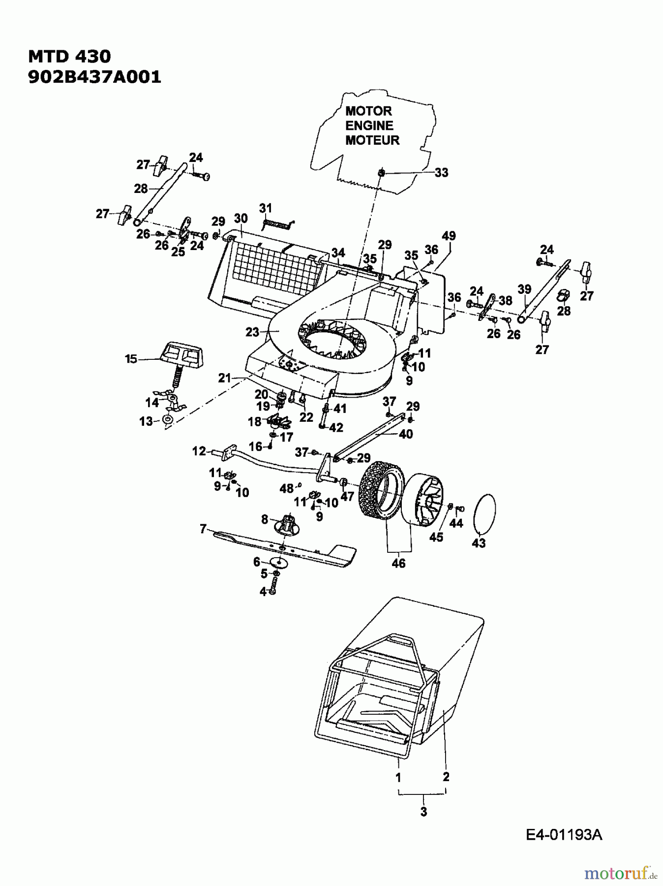
Hier finden Sie die Ersatzteilzeichnung für MTD Motormäher 430 A 902B437A001 (1995) Grundgerät. Wählen Sie das benötigte Ersatzteil aus der Ersatzteilliste Ihres MTD Gerätes aus und bestellen Sie einfach online. Viele MTD Ersatzteile halten wir ständig in unserem Lager für Sie bereit.



