MTD 050 11A-050-678 (1997) Ersatzteile
11A-050-678 (1997) 050

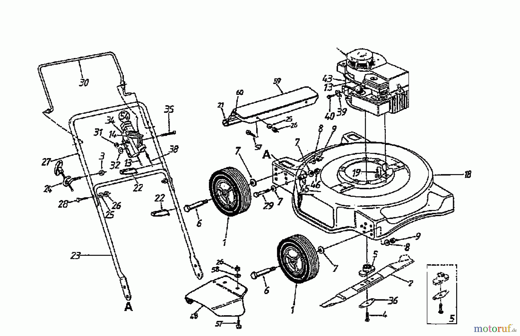
Hier finden Sie die Ersatzteilzeichnung für MTD Motormäher 050 11A-050-678 (1997) Grundgerät. Wählen Sie das benötigte Ersatzteil aus der Ersatzteilliste Ihres MTD Gerätes aus und bestellen Sie einfach online. Viele MTD Ersatzteile halten wir ständig in unserem Lager für Sie bereit.











