MTD CB 460 SB 901B467S002 (1994) Ersatzteile
901B467S002 (1994) CB 460 SB

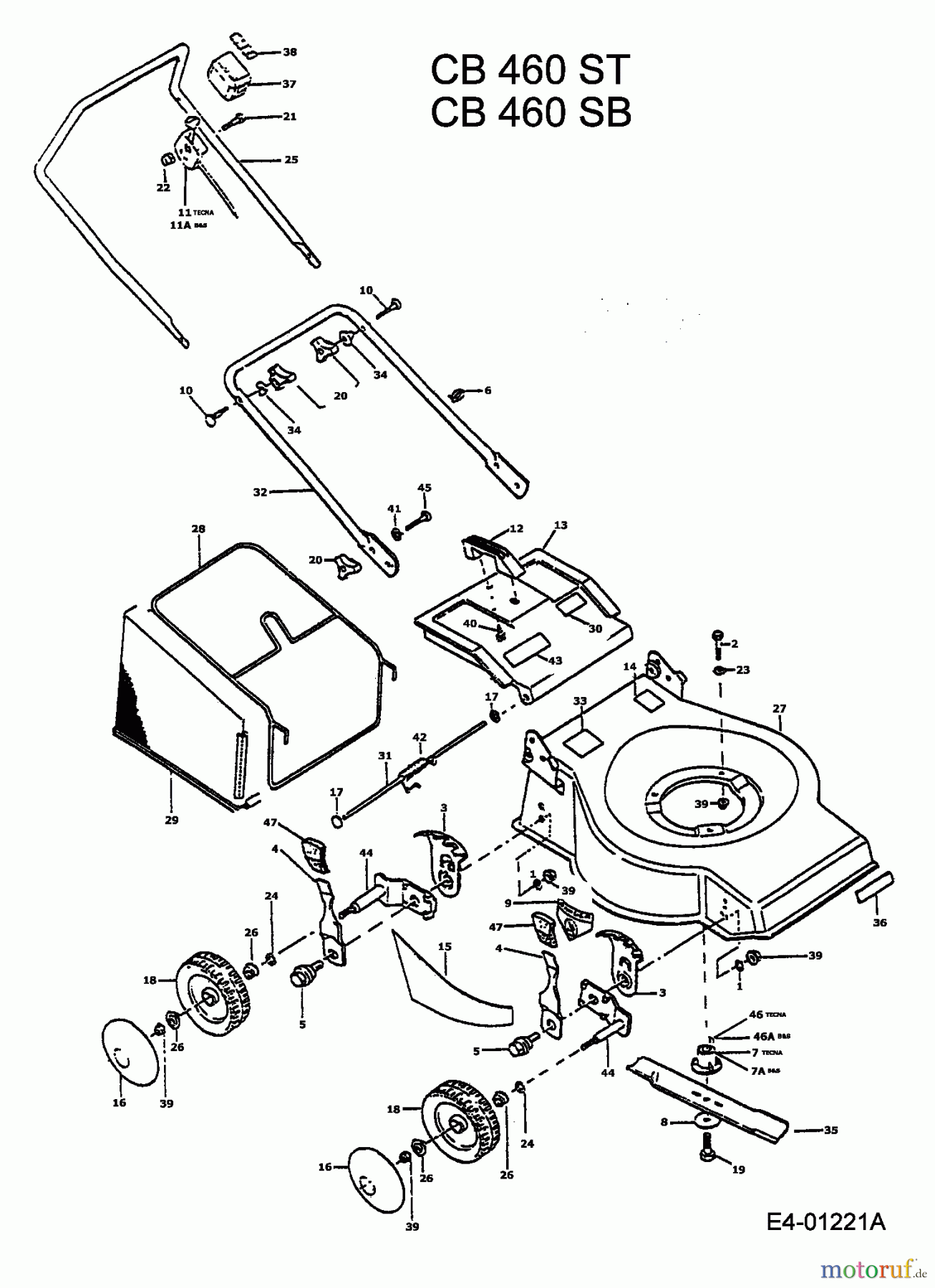
Hier finden Sie die Ersatzteilzeichnung für MTD Motormäher CB 460 SB 901B467S002 (1994) Grundgerät. Wählen Sie das benötigte Ersatzteil aus der Ersatzteilliste Ihres MTD Gerätes aus und bestellen Sie einfach online. Viele MTD Ersatzteile halten wir ständig in unserem Lager für Sie bereit.


Qualitätsmanagement
Informieren Sie uns, wenn Sie einen Fehler gefunden haben.

