MTD T 240 OHV 600 21A-S4MJ602 (2009) Ersatzteile
21A-S4MJ602 (2009) T 240 OHV 600

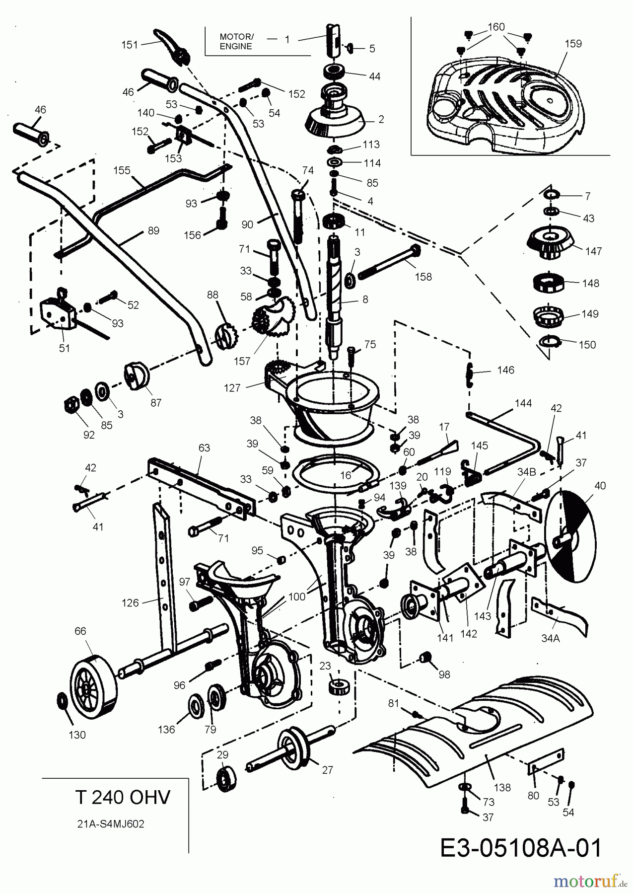
Hier finden Sie die Ersatzteilzeichnung für MTD Motorhacken T 240 OHV 600 21A-S4MJ602 (2009) Grundgerät. Wählen Sie das benötigte Ersatzteil aus der Ersatzteilliste Ihres MTD Gerätes aus und bestellen Sie einfach online. Viele MTD Ersatzteile halten wir ständig in unserem Lager für Sie bereit.


Qualitätsmanagement
Informieren Sie uns, wenn Sie einen Fehler gefunden haben.

