MTD T 120 21AK410G678 (2003) Motor Ersatzteile
Motor 21AK410G678 (2003)

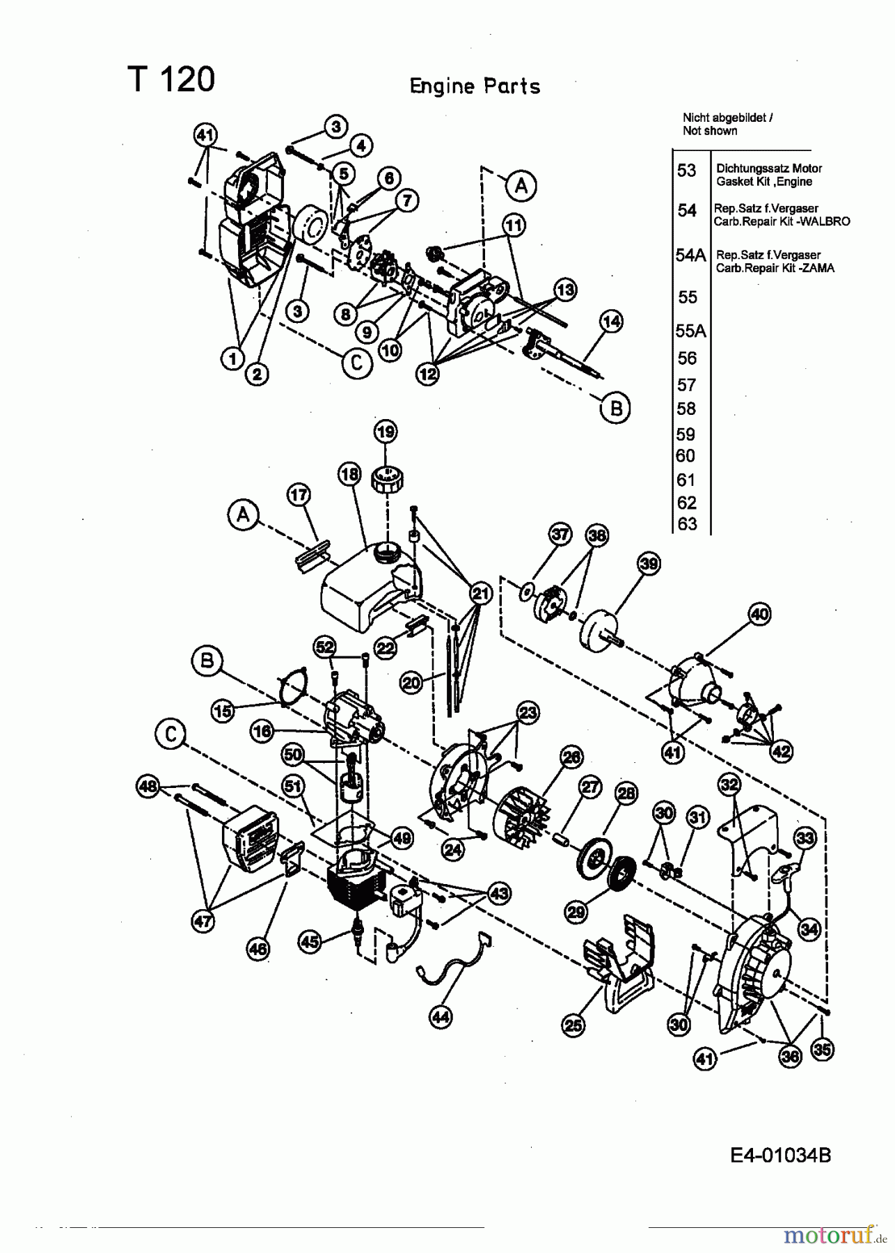
Hier finden Sie die Ersatzteilzeichnung für MTD Motorhacken T 120 21AK410G678 (2003) Motor. Wählen Sie das benötigte Ersatzteil aus der Ersatzteilliste Ihres MTD Gerätes aus und bestellen Sie einfach online. Viele MTD Ersatzteile halten wir ständig in unserem Lager für Sie bereit.






