MTD E 350 25A-530A678 (1998) Ersatzteile
25A-530A678 (1998) E 350

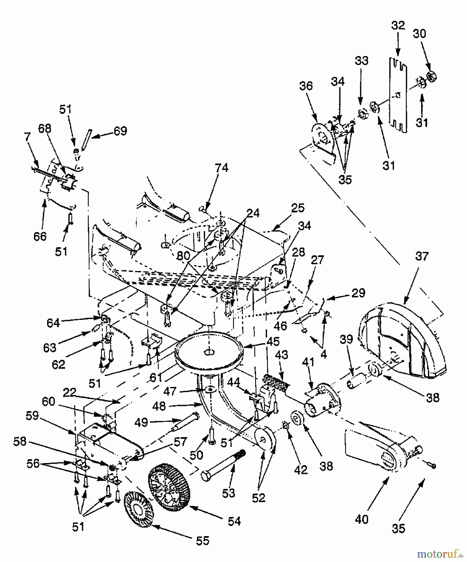
Hier finden Sie die Ersatzteilzeichnung für MTD Kantenschneider E 350 25A-530A678 (1998) Grundgerät. Wählen Sie das benötigte Ersatzteil aus der Ersatzteilliste Ihres MTD Gerätes aus und bestellen Sie einfach online. Viele MTD Ersatzteile halten wir ständig in unserem Lager für Sie bereit.


Qualitätsmanagement
Informieren Sie uns, wenn Sie einen Fehler gefunden haben.










