MTD 550 C 24AA550C602 (2000) Ersatzteile
24AA550C602 (2000) 550 C

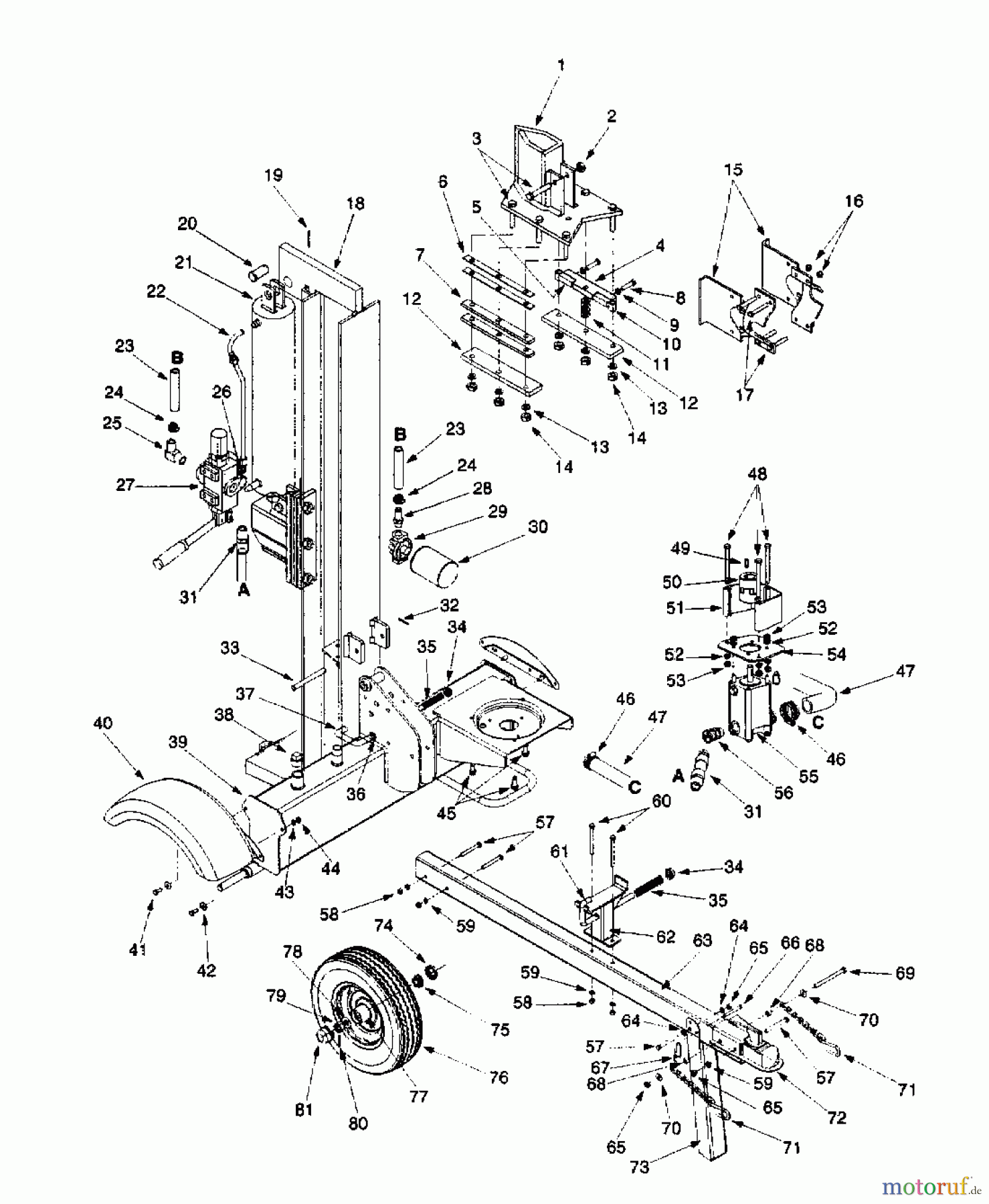
Hier finden Sie die Ersatzteilzeichnung für MTD Holzspalter 550 C 24AA550C602 (2000) Grundgerät. Wählen Sie das benötigte Ersatzteil aus der Ersatzteilliste Ihres MTD Gerätes aus und bestellen Sie einfach online. Viele MTD Ersatzteile halten wir ständig in unserem Lager für Sie bereit.


Qualitätsmanagement
Informieren Sie uns, wenn Sie einen Fehler gefunden haben.














