MTD 522 E 3 24B-751Q678 (2003) Ersatzteile
24B-751Q678 (2003) 522 E 3

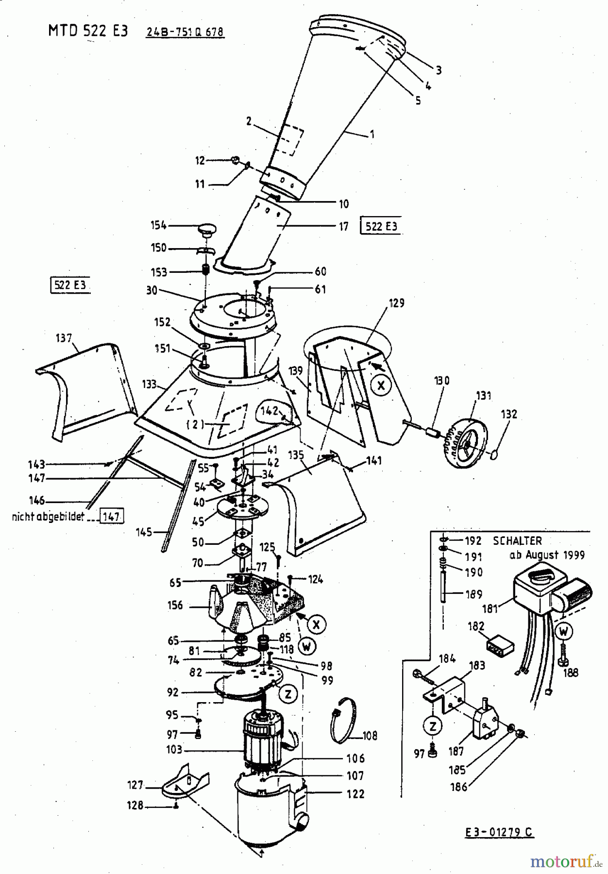
Hier finden Sie die Ersatzteilzeichnung für MTD Häcksler 522 E 3 24B-751Q678 (2003) Grundgerät. Wählen Sie das benötigte Ersatzteil aus der Ersatzteilliste Ihres MTD Gerätes aus und bestellen Sie einfach online. Viele MTD Ersatzteile halten wir ständig in unserem Lager für Sie bereit.



