MTD SUPER 18-117 N 141-849H (1991) Mähwerk H (46"/117cm) Ersatzteile
Mähwerk H (46"/117cm) 141-849H (1991)

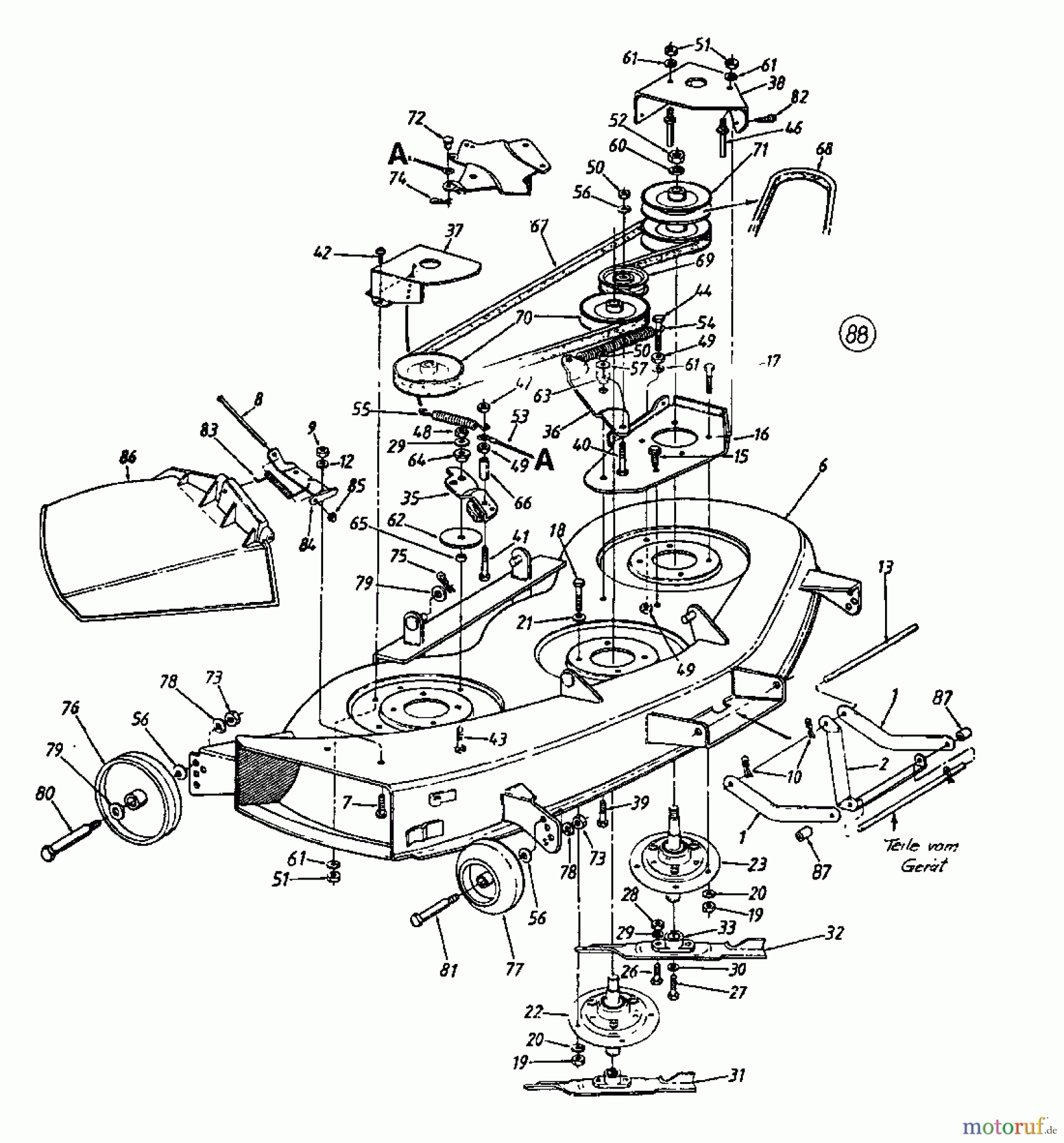
Hier finden Sie die Ersatzteilzeichnung für MTD Gartentraktoren SUPER 18-117 N 141-849H (1991) Mähwerk H (46"/117cm). Wählen Sie das benötigte Ersatzteil aus der Ersatzteilliste Ihres MTD Gerätes aus und bestellen Sie einfach online. Viele MTD Ersatzteile halten wir ständig in unserem Lager für Sie bereit.



































