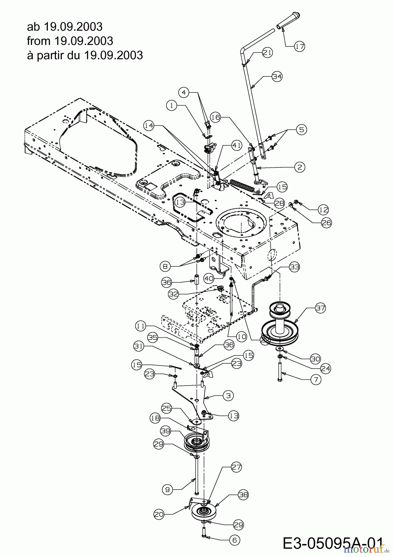
MTD G 200 14AQ808H678 (2004) Mähwerkseinschaltung, Motorkeilriemenscheibe ab 19.09.2003 Ersatzteile
Mähwerkseinschaltung, Motorkeilriemenscheibe ab 19.09.2003 14AQ808H678 (2004)

Hier finden Sie die Ersatzteilzeichnung für MTD Gartentraktoren G 200 14AQ808H678 (2004) Mähwerkseinschaltung, Motorkeilriemenscheibe ab 19.09.2003. Wählen Sie das benötigte Ersatzteil aus der Ersatzteilliste Ihres MTD Gerätes aus und bestellen Sie einfach online. Viele MTD Ersatzteile halten wir ständig in unserem Lager für Sie bereit.
Häufig benötigte MTD G 200 14AQ808H678 (2004) Mähwerkseinschaltung, Motorkeilriemenscheibe ab 19.09.2003 Ersatzteile

Artikelnummer: 756-0487
Suche nach: 756-0487
Hersteller: MTD
MTD Ersatzteil Mähwerkseinschaltung, Motorkeilriemenscheibe ab 19.09.2003
Suche nach: 756-0487
Hersteller: MTD
MTD Ersatzteil Mähwerkseinschaltung, Motorkeilriemenscheibe ab 19.09.2003
38.48 €
für EU incl. MwSt., zzgl. Versand




















