MTD G 185 14AJ845H678 (1998) Mähwerk H (46"/117cm) Ersatzteile
Mähwerk H (46"/117cm) 14AJ845H678 (1998)

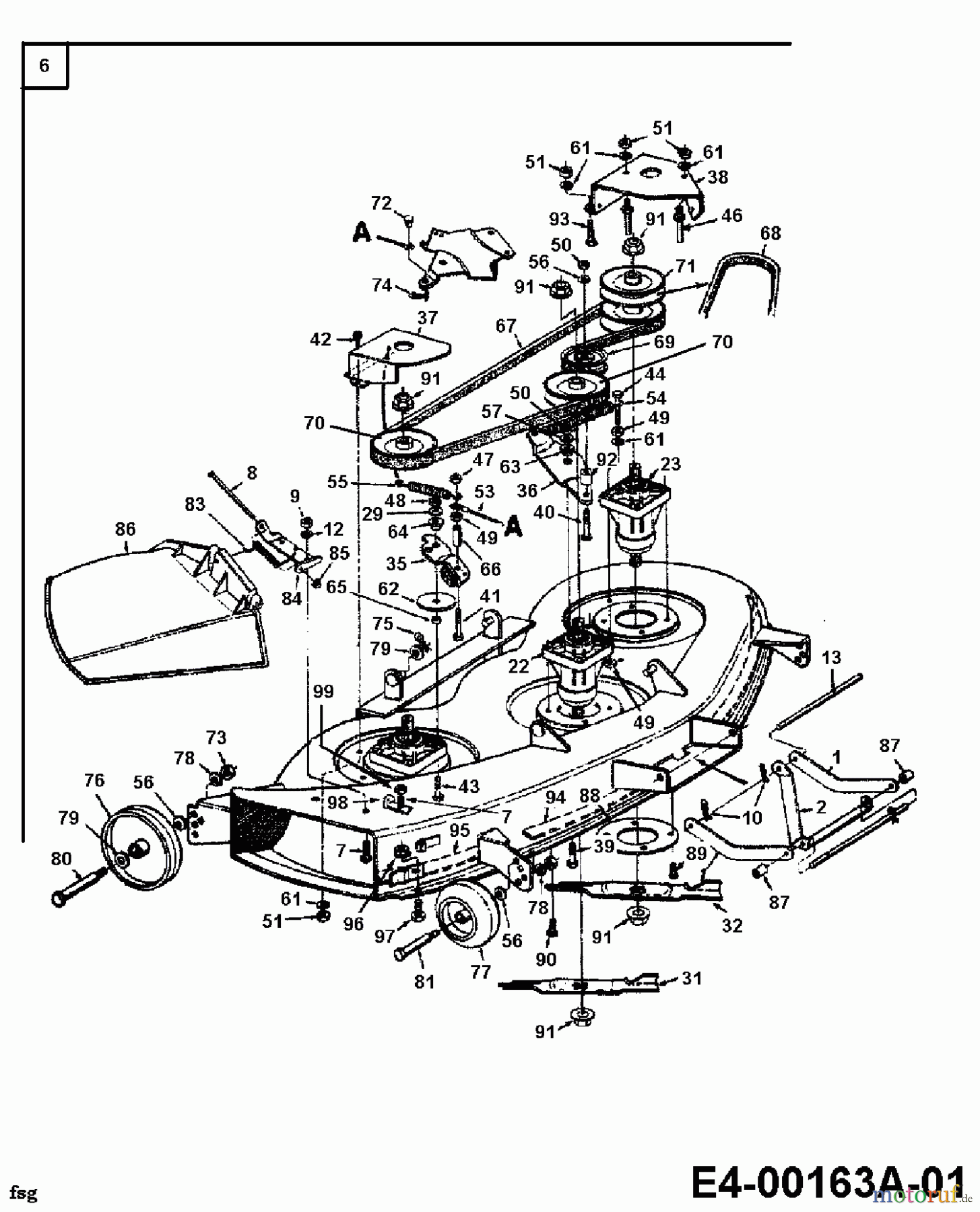
Hier finden Sie die Ersatzteilzeichnung für MTD Gartentraktoren G 185 14AJ845H678 (1998) Mähwerk H (46"/117cm). Wählen Sie das benötigte Ersatzteil aus der Ersatzteilliste Ihres MTD Gerätes aus und bestellen Sie einfach online. Viele MTD Ersatzteile halten wir ständig in unserem Lager für Sie bereit.


Qualitätsmanagement
 Informieren Sie uns, wenn Sie einen Fehler gefunden haben.































