MTD CEV 280 905E355P001 (1994) Ersatzteile
905E355P001 (1994) CEV 280

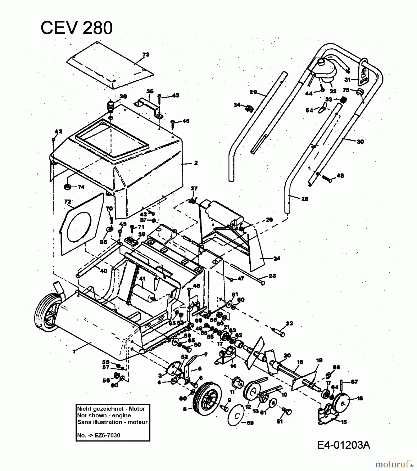
Hier finden Sie die Ersatzteilzeichnung für MTD Elektrovertikutierer CEV 280 905E355P001 (1994) Grundgerät. Wählen Sie das benötigte Ersatzteil aus der Ersatzteilliste Ihres MTD Gerätes aus und bestellen Sie einfach online. Viele MTD Ersatzteile halten wir ständig in unserem Lager für Sie bereit.


Qualitätsmanagement
Informieren Sie uns, wenn Sie einen Fehler gefunden haben.

