Lawnflite 991 SP 6 E 12BE658O611 (2000) Getriebe, Rollen, Räder Ersatzteile
Getriebe, Rollen, Räder 12BE658O611 (2000)

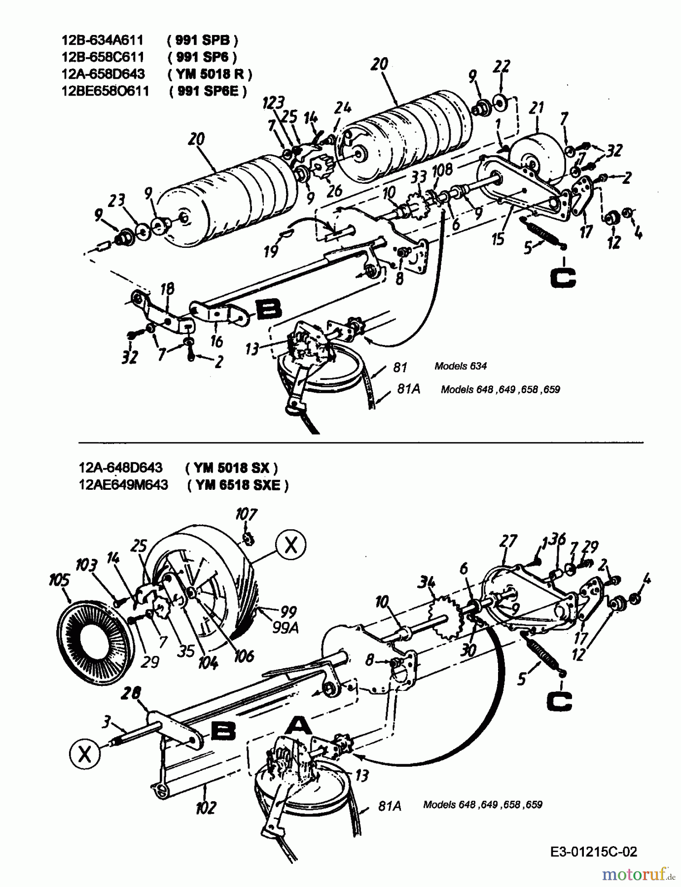
Hier finden Sie die Ersatzteilzeichnung für Lawnflite Motormäher mit Antrieb 991 SP 6 E 12BE658O611 (2000) Getriebe, Rollen, Räder. Wählen Sie das benötigte Ersatzteil aus der Ersatzteilliste Ihres Lawnflite Gerätes aus und bestellen Sie einfach online. Viele Lawnflite Ersatzteile halten wir ständig in unserem Lager für Sie bereit.


Qualitätsmanagement
Informieren Sie uns, wenn Sie einen Fehler gefunden haben.






























