Lawnflite 383 SPE 12CE618K611 (2002) Ersatzteile
12CE618K611 (2002) 383 SPE

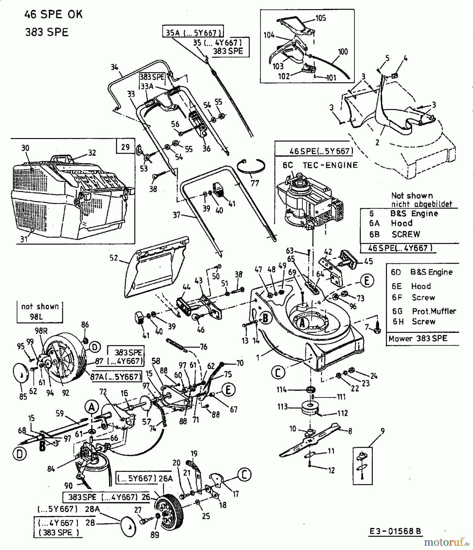
Hier finden Sie die Ersatzteilzeichnung für Lawnflite Motormäher mit Antrieb 383 SPE 12CE618K611 (2002) Grundgerät. Wählen Sie das benötigte Ersatzteil aus der Ersatzteilliste Ihres Lawnflite Gerätes aus und bestellen Sie einfach online. Viele Lawnflite Ersatzteile halten wir ständig in unserem Lager für Sie bereit.




































