Lawnflite 908 Hydro 13BP513N611 (2007) Motorzubehör Ersatzteile
Motorzubehör 13BP513N611 (2007)

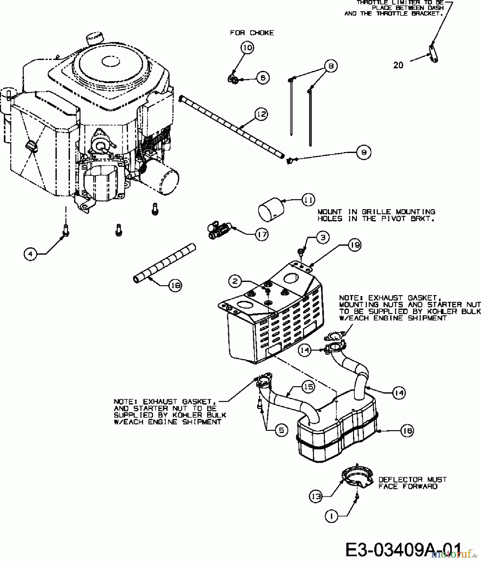
Hier finden Sie die Ersatzteilzeichnung für Lawnflite Rasentraktoren 908 Hydro 13BP513N611 (2007) Motorzubehör. Wählen Sie das benötigte Ersatzteil aus der Ersatzteilliste Ihres Lawnflite Gerätes aus und bestellen Sie einfach online. Viele Lawnflite Ersatzteile halten wir ständig in unserem Lager für Sie bereit.











