Lawnflite 383 P 11C-600A611 (2001) Ersatzteile
11C-600A611 (2001) 383 P

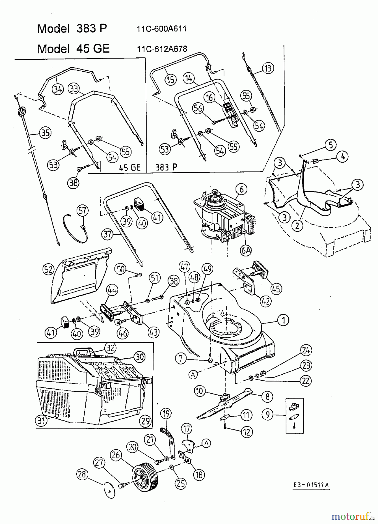
Hier finden Sie die Ersatzteilzeichnung für Lawnflite Motormäher 383 P 11C-600A611 (2001) Grundgerät. Wählen Sie das benötigte Ersatzteil aus der Ersatzteilliste Ihres Lawnflite Gerätes aus und bestellen Sie einfach online. Viele Lawnflite Ersatzteile halten wir ständig in unserem Lager für Sie bereit.

















