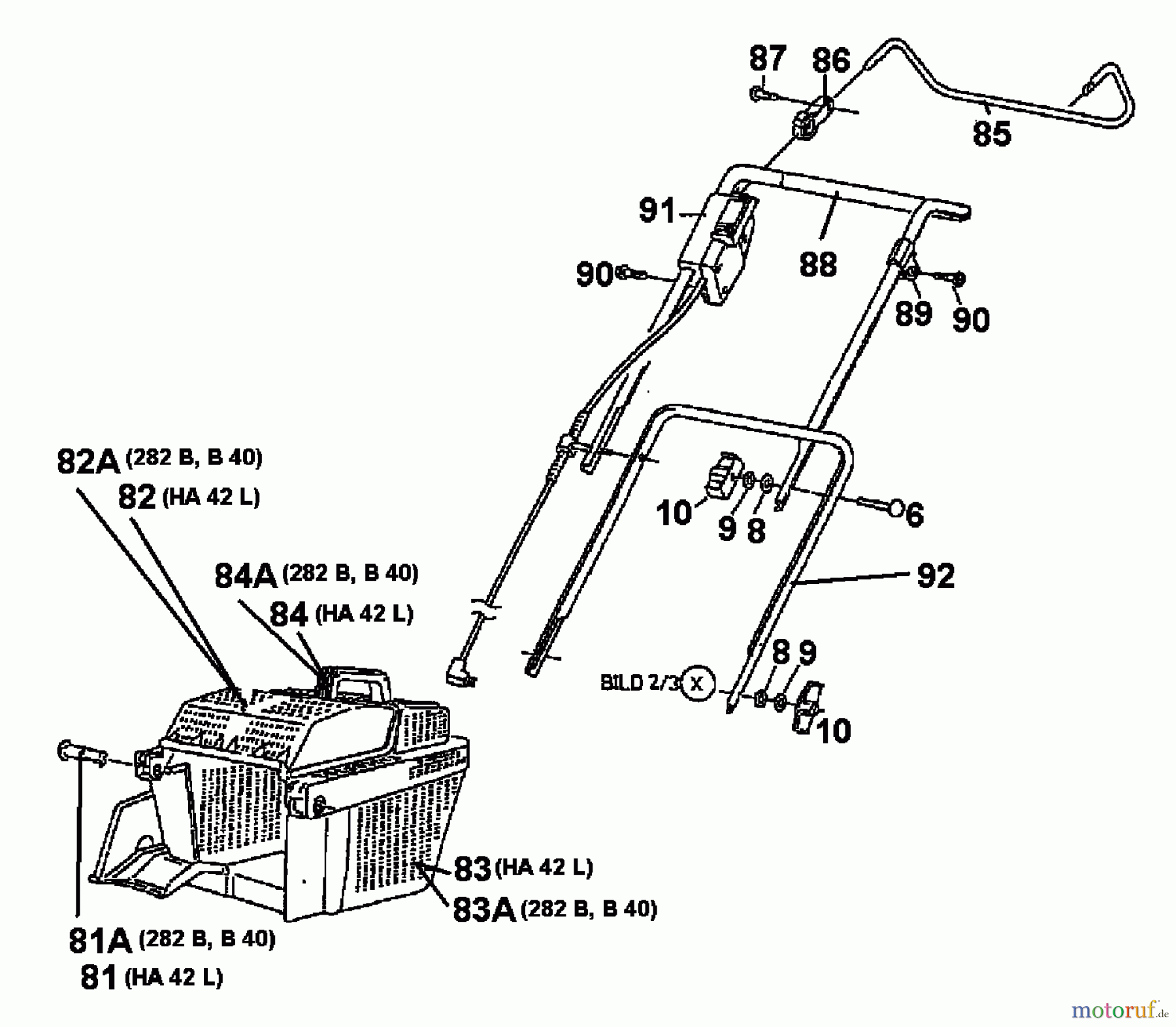
Lawnflite 282 B 04040.03 (1997) Grasfangkorb, Holm Ersatzteile
Grasfangkorb, Holm 04040.03 (1997)

Hier finden Sie die Ersatzteilzeichnung für Lawnflite Akkumäher 282 B 04040.03 (1997) Grasfangkorb, Holm. Wählen Sie das benötigte Ersatzteil aus der Ersatzteilliste Ihres Lawnflite Gerätes aus und bestellen Sie einfach online. Viele Lawnflite Ersatzteile halten wir ständig in unserem Lager für Sie bereit.


Qualitätsmanagement
Informieren Sie uns, wenn Sie einen Fehler gefunden haben.

