Wolf-Garten GT-S 4-29 DL 7156000 (2010) Motor Ersatzteile
Motor 7156000 (2010)

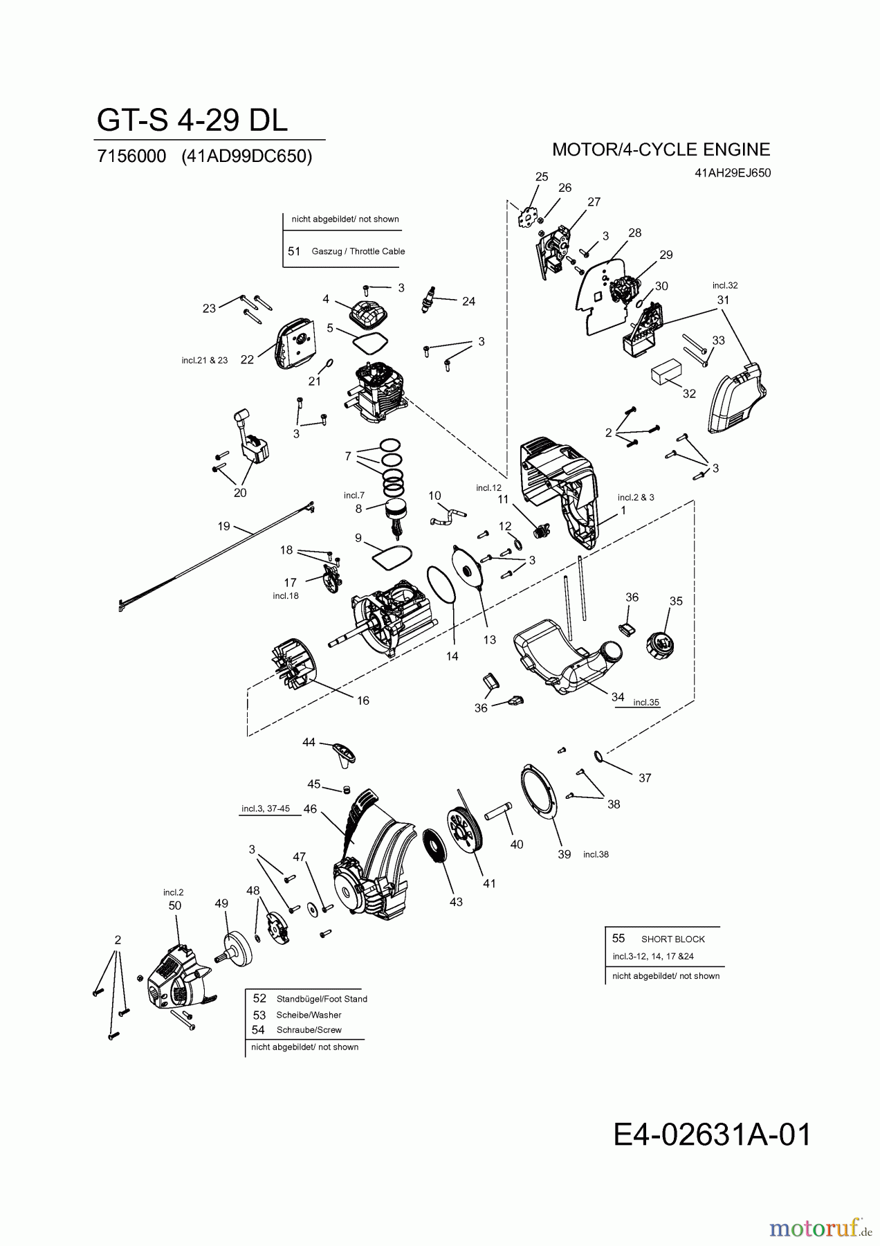
Hier finden Sie die Ersatzteilzeichnung für Wolf-Garten Motorsensen GT-S 4-29 DL 7156000 (2010) Motor. Wählen Sie das benötigte Ersatzteil aus der Ersatzteilliste Ihres Wolf-Garten Gerätes aus und bestellen Sie einfach online. Viele Wolf-Garten Ersatzteile halten wir ständig in unserem Lager für Sie bereit.


Qualitätsmanagement
Informieren Sie uns, wenn Sie einen Fehler gefunden haben.





