Wolf-Garten C 32 B 3662000 (2010) Ersatzteile
3662000 (2010) C 32 B

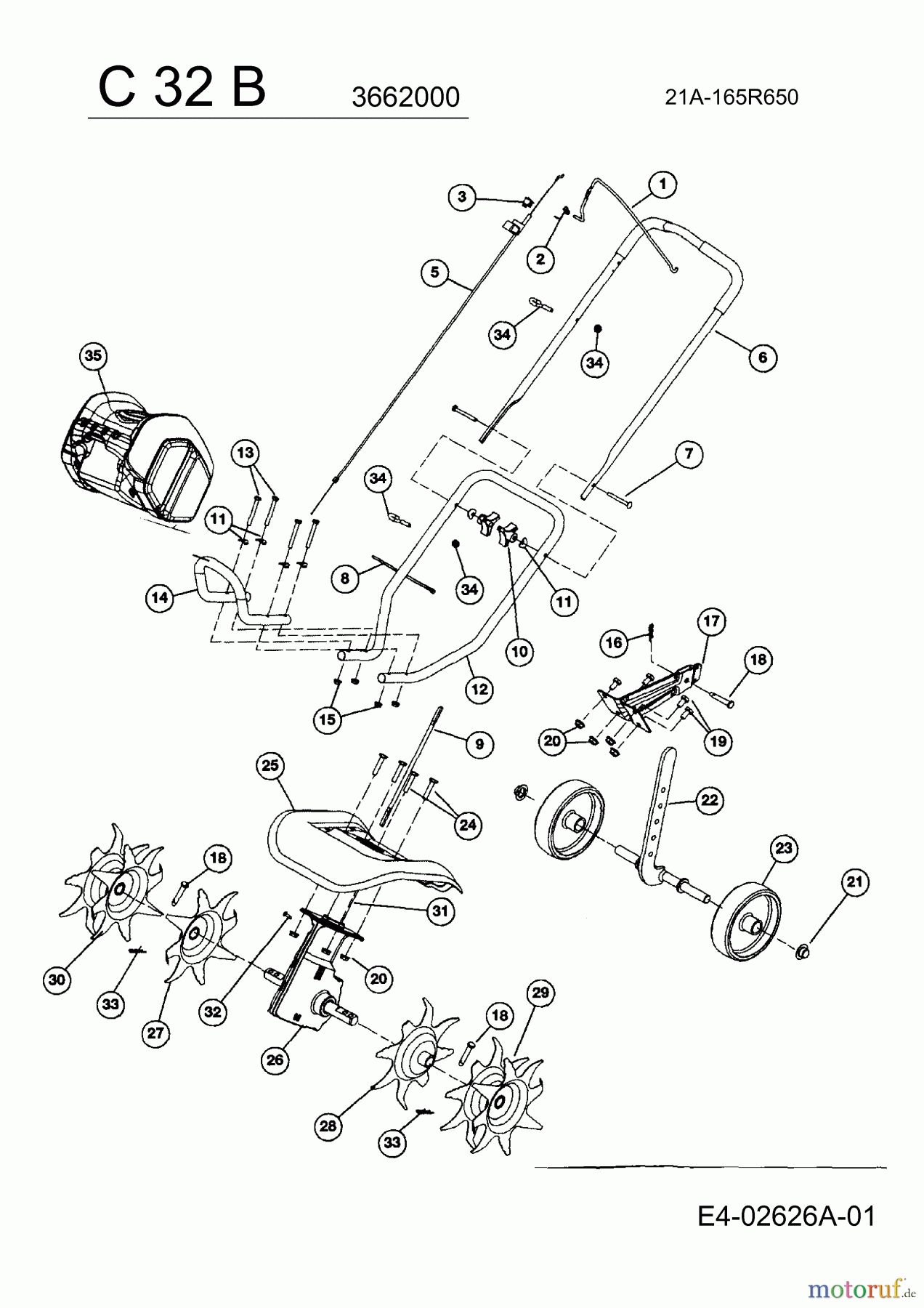
Hier finden Sie die Ersatzteilzeichnung für Wolf-Garten Motorhacken C 32 B 3662000 (2010) Grundgerät. Wählen Sie das benötigte Ersatzteil aus der Ersatzteilliste Ihres Wolf-Garten Gerätes aus und bestellen Sie einfach online. Viele Wolf-Garten Ersatzteile halten wir ständig in unserem Lager für Sie bereit.








