Wolf-Garten Centura 40 S 2039040 (2001) Motor Ersatzteile
Motor 2039040 (2001)

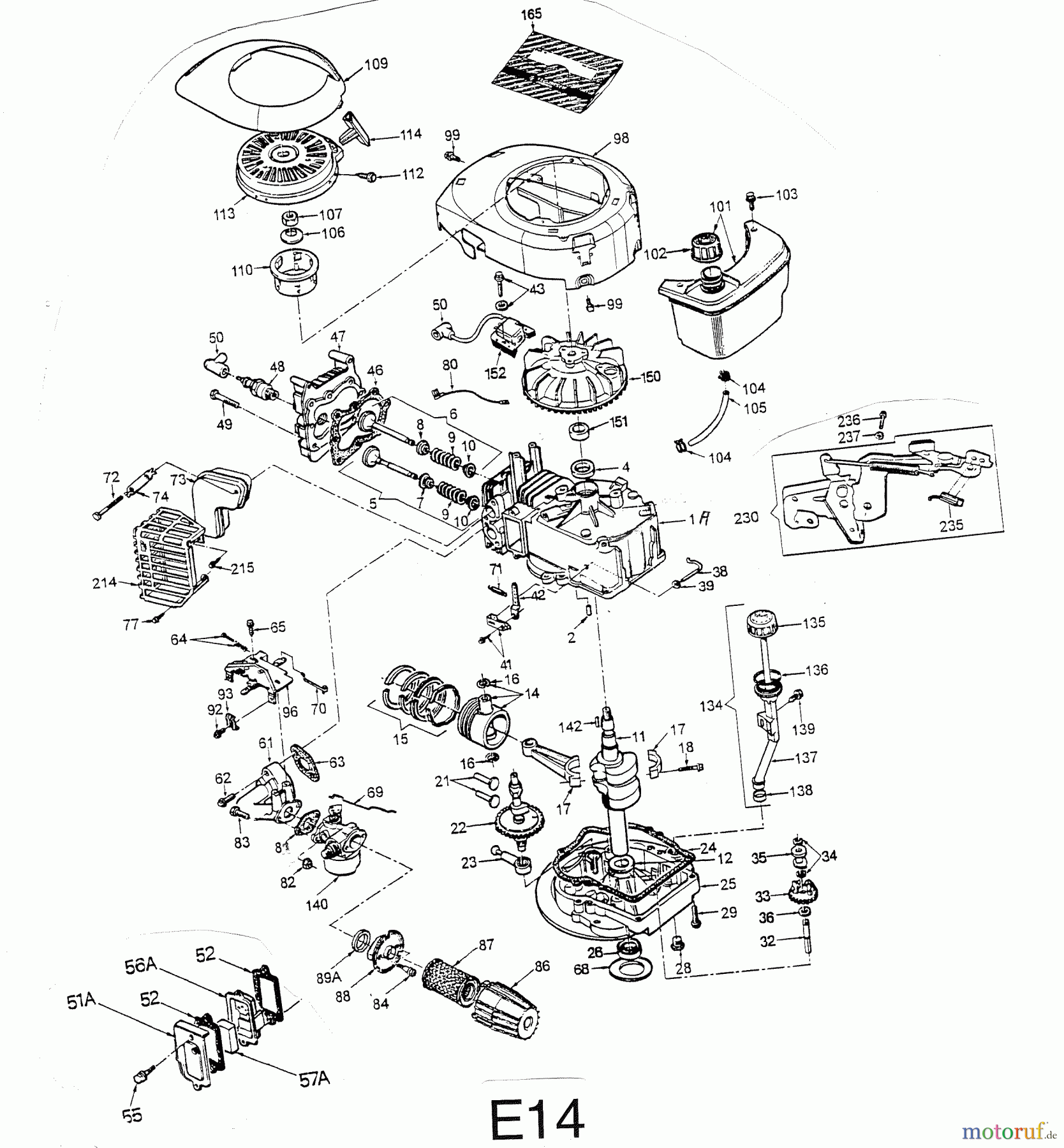
Hier finden Sie die Ersatzteilzeichnung für Wolf-Garten Benzinmotoren Tecumseh Centura 40 S 2039040 (2001) Motor. Wählen Sie das benötigte Ersatzteil aus der Ersatzteilliste Ihres Wolf-Garten Gerätes aus und bestellen Sie einfach online. Viele Wolf-Garten Ersatzteile halten wir ständig in unserem Lager für Sie bereit.




