Wolf-Garten FC 150 V 2090065 (2003) Kurbelgehäuse, Ölwanne Ersatzteile
Kurbelgehäuse, Ölwanne 2090065 (2003)

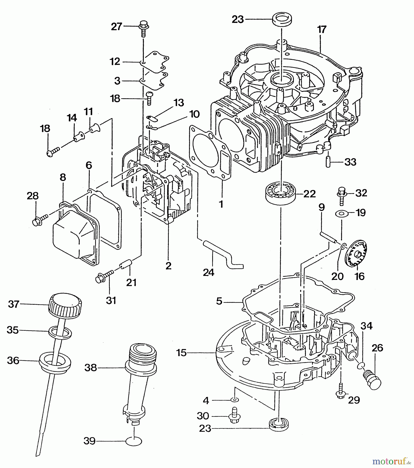
Hier finden Sie die Ersatzteilzeichnung für Wolf-Garten Benzinmotoren Kawasaki FC 150 V 2090065 (2003) Kurbelgehäuse, Ölwanne. Wählen Sie das benötigte Ersatzteil aus der Ersatzteilliste Ihres Wolf-Garten Gerätes aus und bestellen Sie einfach online. Viele Wolf-Garten Ersatzteile halten wir ständig in unserem Lager für Sie bereit.


Qualitätsmanagement
Informieren Sie uns, wenn Sie einen Fehler gefunden haben.

