Wolf-Garten FA 76 2055000 (2003) Kurbelgehäuse, Zylinderkopf Ersatzteile
Kurbelgehäuse, Zylinderkopf 2055000 (2003)

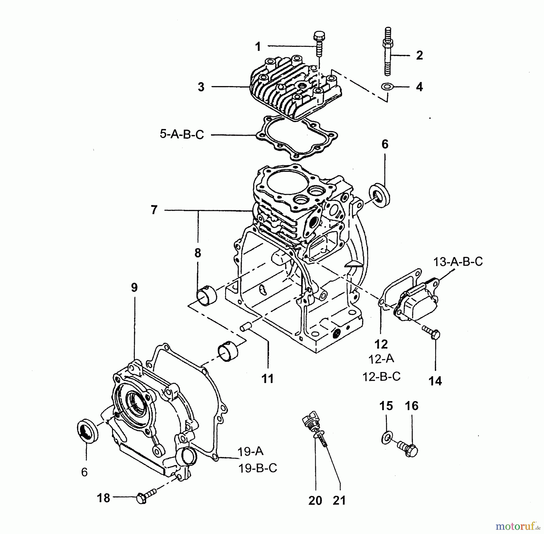
Hier finden Sie die Ersatzteilzeichnung für Wolf-Garten Benzinmotoren Kawasaki FA 76 2055000 (2003) Kurbelgehäuse, Zylinderkopf. Wählen Sie das benötigte Ersatzteil aus der Ersatzteilliste Ihres Wolf-Garten Gerätes aus und bestellen Sie einfach online. Viele Wolf-Garten Ersatzteile halten wir ständig in unserem Lager für Sie bereit.


Qualitätsmanagement
Informieren Sie uns, wenn Sie einen Fehler gefunden haben.

