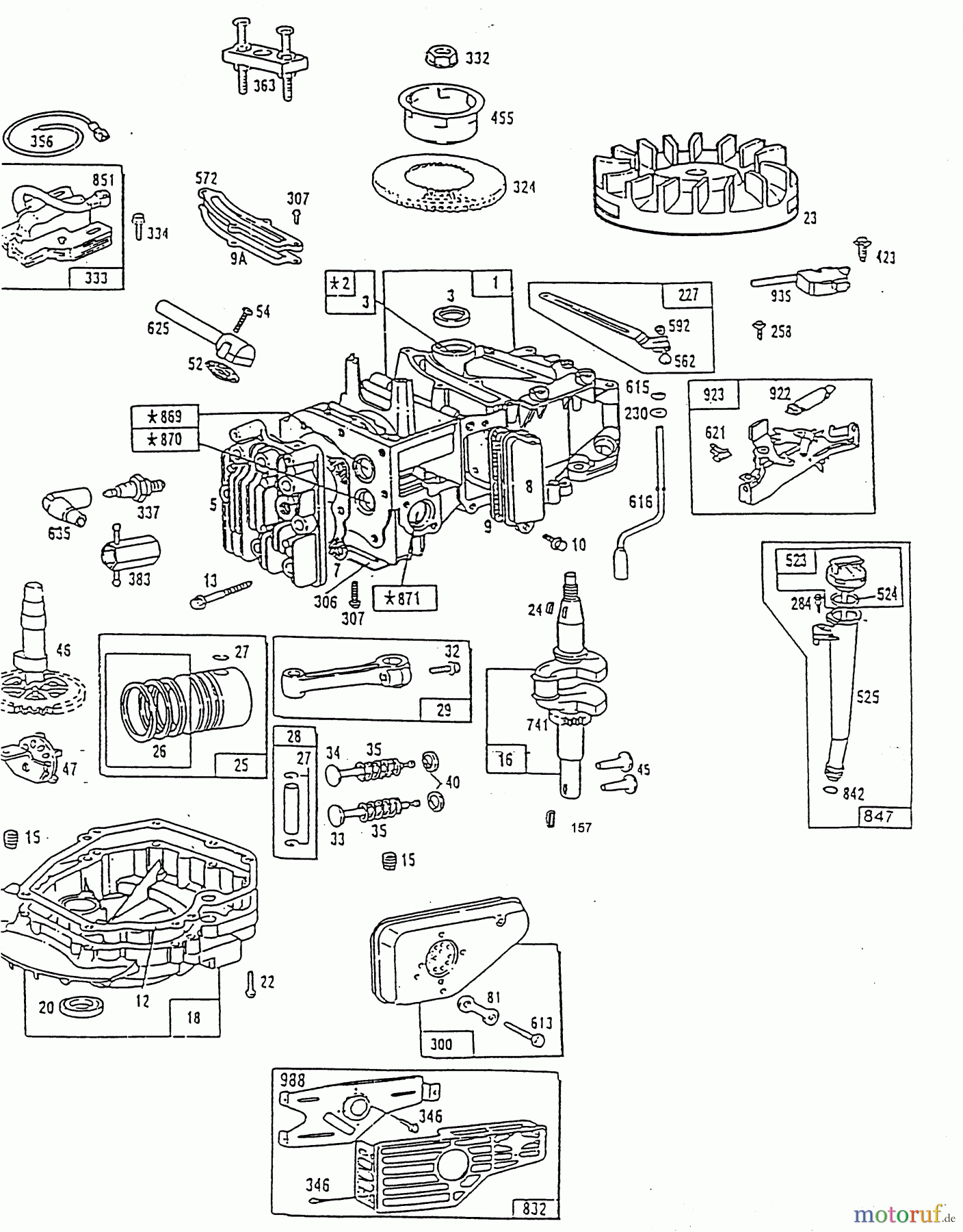
Wolf-Garten Quantum XE,XTE,XTL 35/40/45/50-I/C-ES 2069050 (1996) Kurbelgehäuse, Kurbelwelle, Kolben Ersatzteile
Kurbelgehäuse, Kurbelwelle, Kolben 2069050 (1996)

Hier finden Sie die Ersatzteilzeichnung für Wolf-Garten Benzinmotoren Briggs&Stratton Quantum XE,XTE,XTL 35/40/45/50-I/C-ES 2069050 (1996) Kurbelgehäuse, Kurbelwelle, Kolben. Wählen Sie das benötigte Ersatzteil aus der Ersatzteilliste Ihres Wolf-Garten Gerätes aus und bestellen Sie einfach online. Viele Wolf-Garten Ersatzteile halten wir ständig in unserem Lager für Sie bereit.


Qualitätsmanagement
Informieren Sie uns, wenn Sie einen Fehler gefunden haben.

