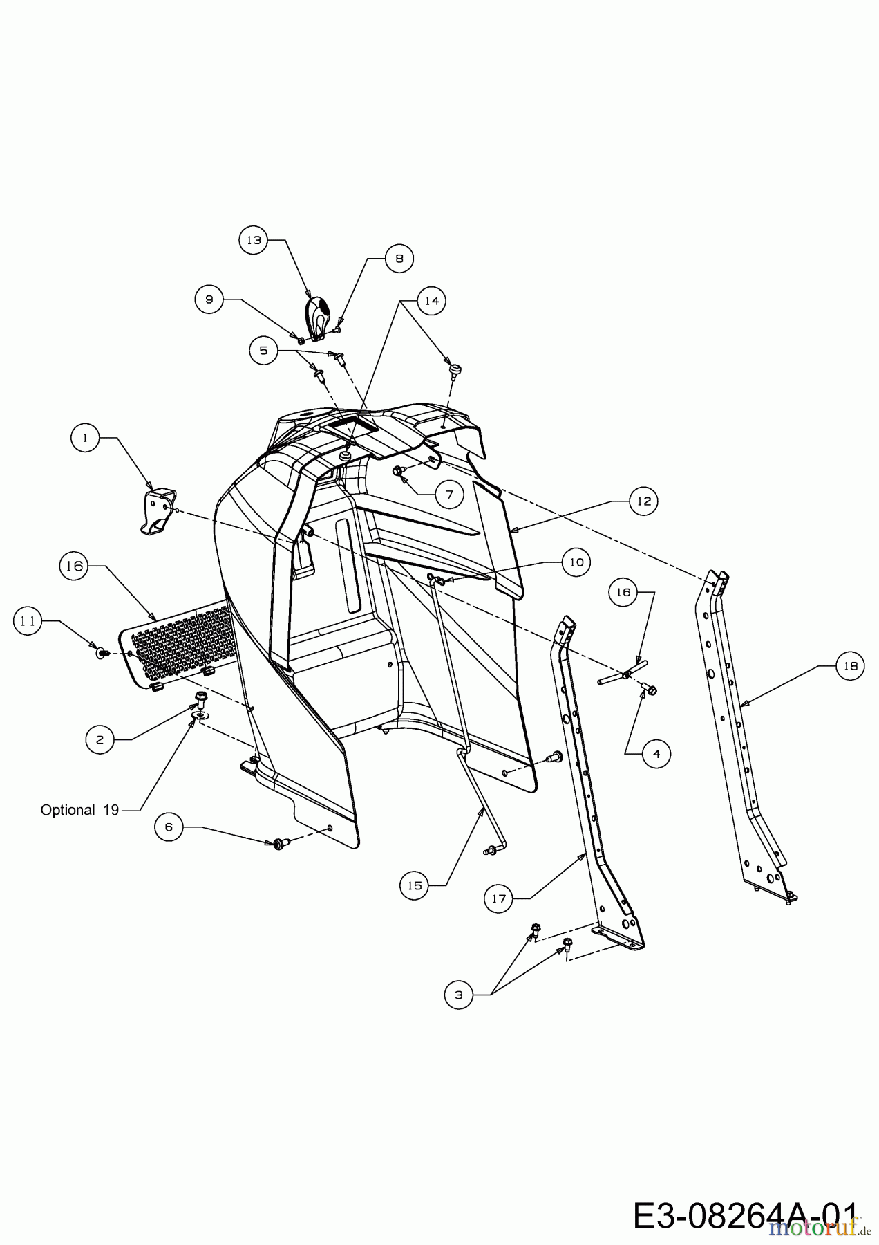
Wolf-Garten Expert 107.175 A 13AD90WG650 (2013) Armaturenbrett Ersatzteile
Armaturenbrett 13AD90WG650 (2013)

Hier finden Sie die Ersatzteilzeichnung für Wolf-Garten Rasentraktoren Expert 107.175 A 13AD90WG650 (2013) Armaturenbrett. Wählen Sie das benötigte Ersatzteil aus der Ersatzteilliste Ihres Wolf-Garten Gerätes aus und bestellen Sie einfach online. Viele Wolf-Garten Ersatzteile halten wir ständig in unserem Lager für Sie bereit.


Qualitätsmanagement
Informieren Sie uns, wenn Sie einen Fehler gefunden haben.









