Wolf-Garten Blue Power 92.160 H 13RT71RE650 (2011) Motorzubehör Ersatzteile
Motorzubehör 13RT71RE650 (2011)

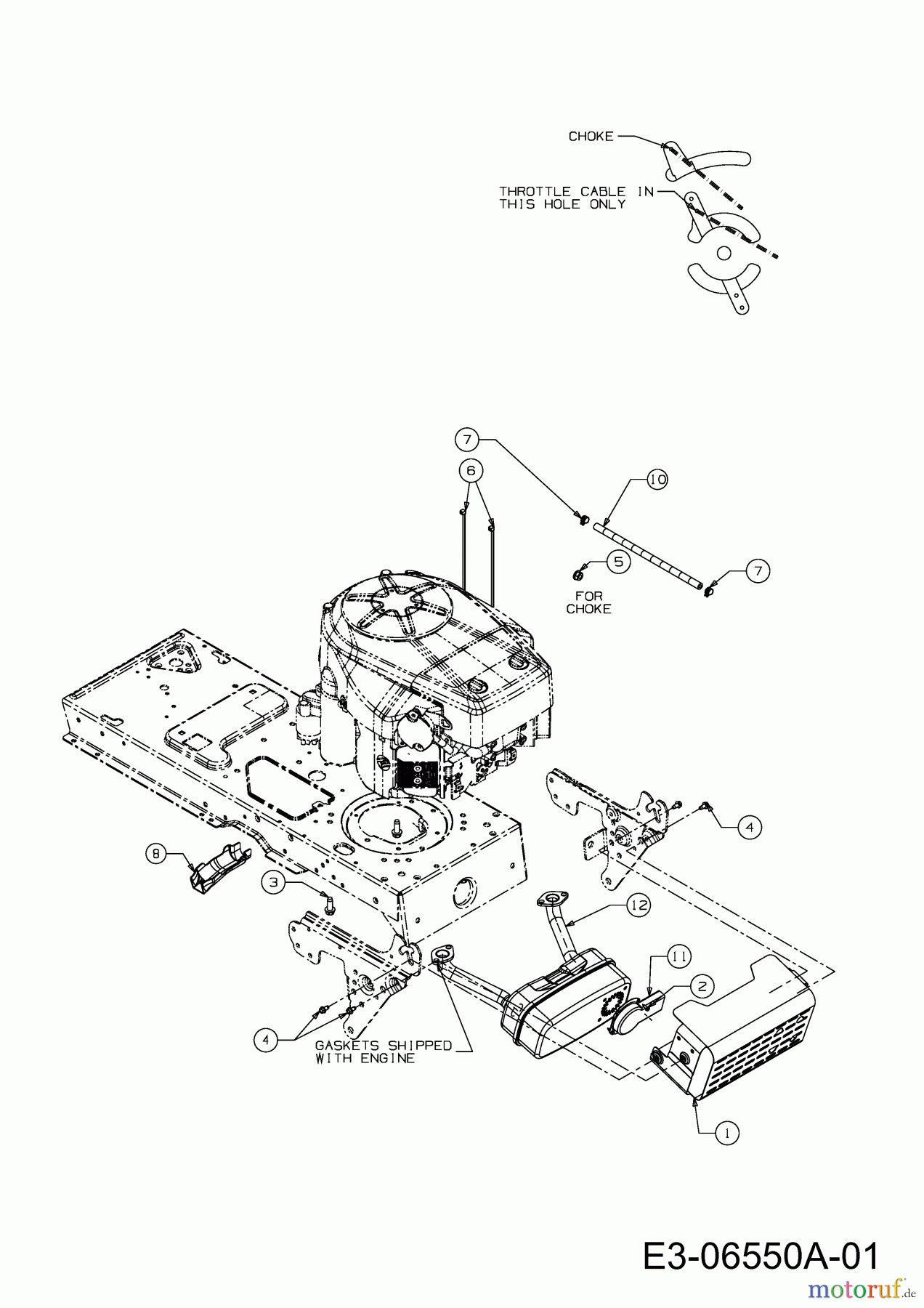
Hier finden Sie die Ersatzteilzeichnung für Wolf-Garten Rasentraktoren Blue Power 92.160 H 13RT71RE650 (2011) Motorzubehör. Wählen Sie das benötigte Ersatzteil aus der Ersatzteilliste Ihres Wolf-Garten Gerätes aus und bestellen Sie einfach online. Viele Wolf-Garten Ersatzteile halten wir ständig in unserem Lager für Sie bereit.


Qualitätsmanagement
Informieren Sie uns, wenn Sie einen Fehler gefunden haben.





