Wolf-Garten Blue Power 107.200 H 13TT79RG650 (2013) Motorzubehör Ersatzteile
Motorzubehör 13TT79RG650 (2013)

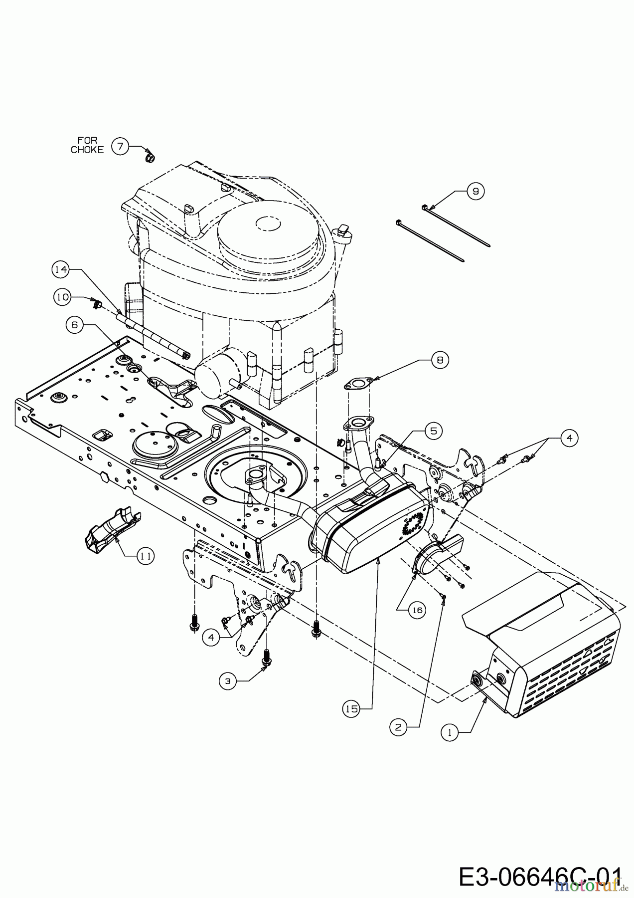
Hier finden Sie die Ersatzteilzeichnung für Wolf-Garten Rasentraktoren Blue Power 107.200 H 13TT79RG650 (2013) Motorzubehör. Wählen Sie das benötigte Ersatzteil aus der Ersatzteilliste Ihres Wolf-Garten Gerätes aus und bestellen Sie einfach online. Viele Wolf-Garten Ersatzteile halten wir ständig in unserem Lager für Sie bereit.


Qualitätsmanagement
Informieren Sie uns, wenn Sie einen Fehler gefunden haben.








