Wolf-Garten Trac OHV 7 6205000 Serie C (2004) Schaltplan Ersatzteile
Schaltplan 6205000 Serie C (2004)

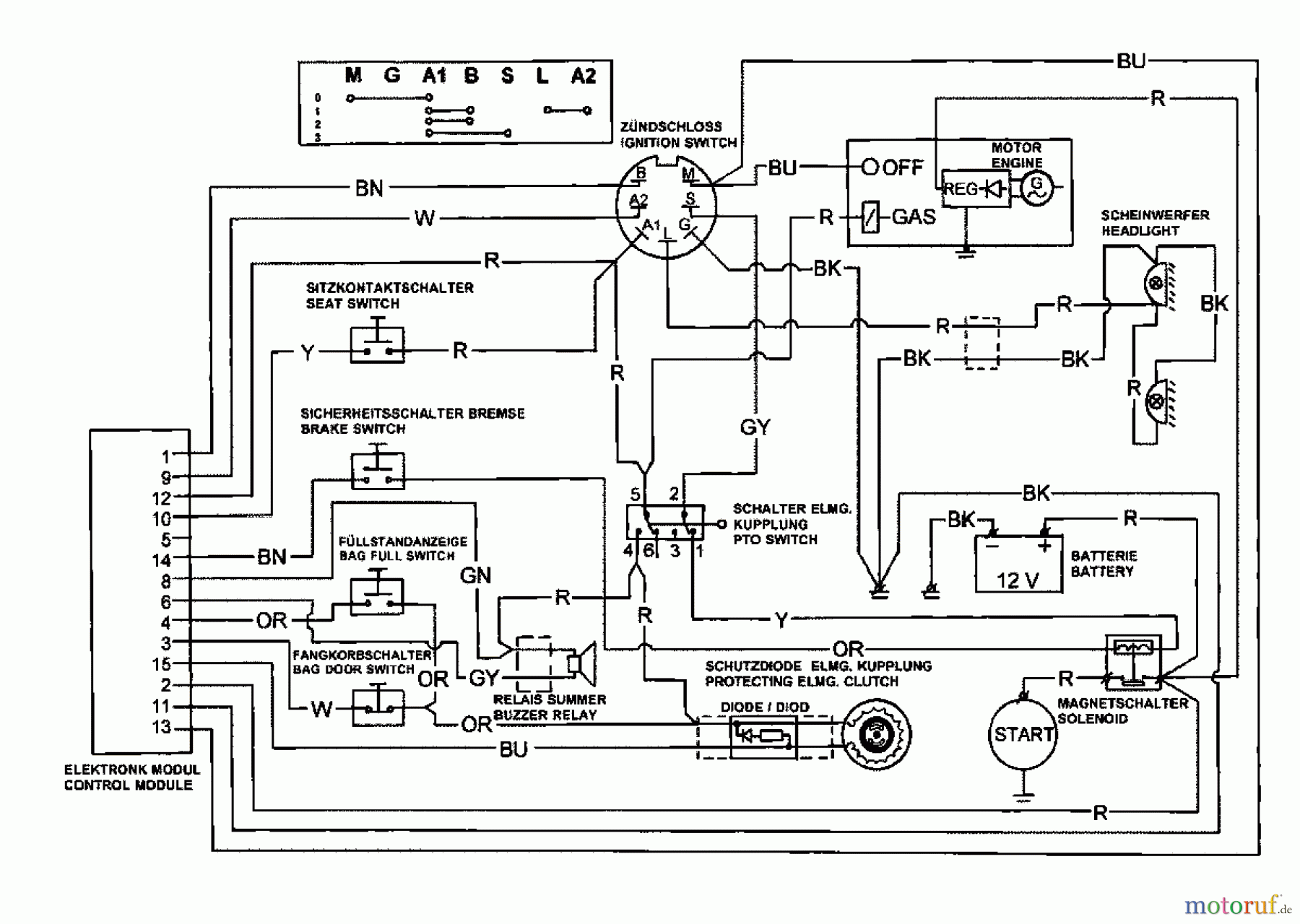
Hier finden Sie die Ersatzteilzeichnung für Wolf-Garten Rasentraktoren Trac OHV 7 6205000 Serie C (2004) Schaltplan. Wählen Sie das benötigte Ersatzteil aus der Ersatzteilliste Ihres Wolf-Garten Gerätes aus und bestellen Sie einfach online. Viele Wolf-Garten Ersatzteile halten wir ständig in unserem Lager für Sie bereit.
| BildNr | Artikel Nummer | Bezeichnung | |
| 1 | 999.99.998 | MTD/GUTBRODTEIL | |



