Wolf-Garten Trac OHV 6 6200000 Serie B (2003) Sitz, Sitzwanne Ersatzteile
Sitz, Sitzwanne 6200000 Serie B (2003)

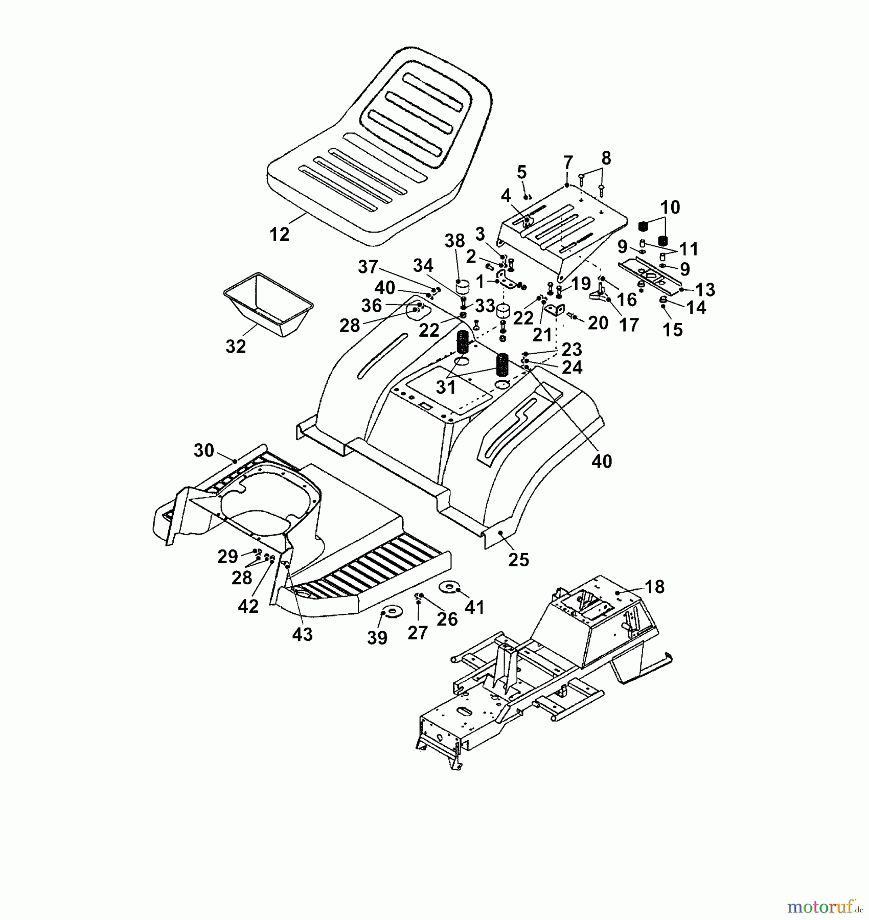
Hier finden Sie die Ersatzteilzeichnung für Wolf-Garten Rasentraktoren Trac OHV 6 6200000 Serie B (2003) Sitz, Sitzwanne. Wählen Sie das benötigte Ersatzteil aus der Ersatzteilliste Ihres Wolf-Garten Gerätes aus und bestellen Sie einfach online. Viele Wolf-Garten Ersatzteile halten wir ständig in unserem Lager für Sie bereit.


