Einkaufswagen
Mein Konto

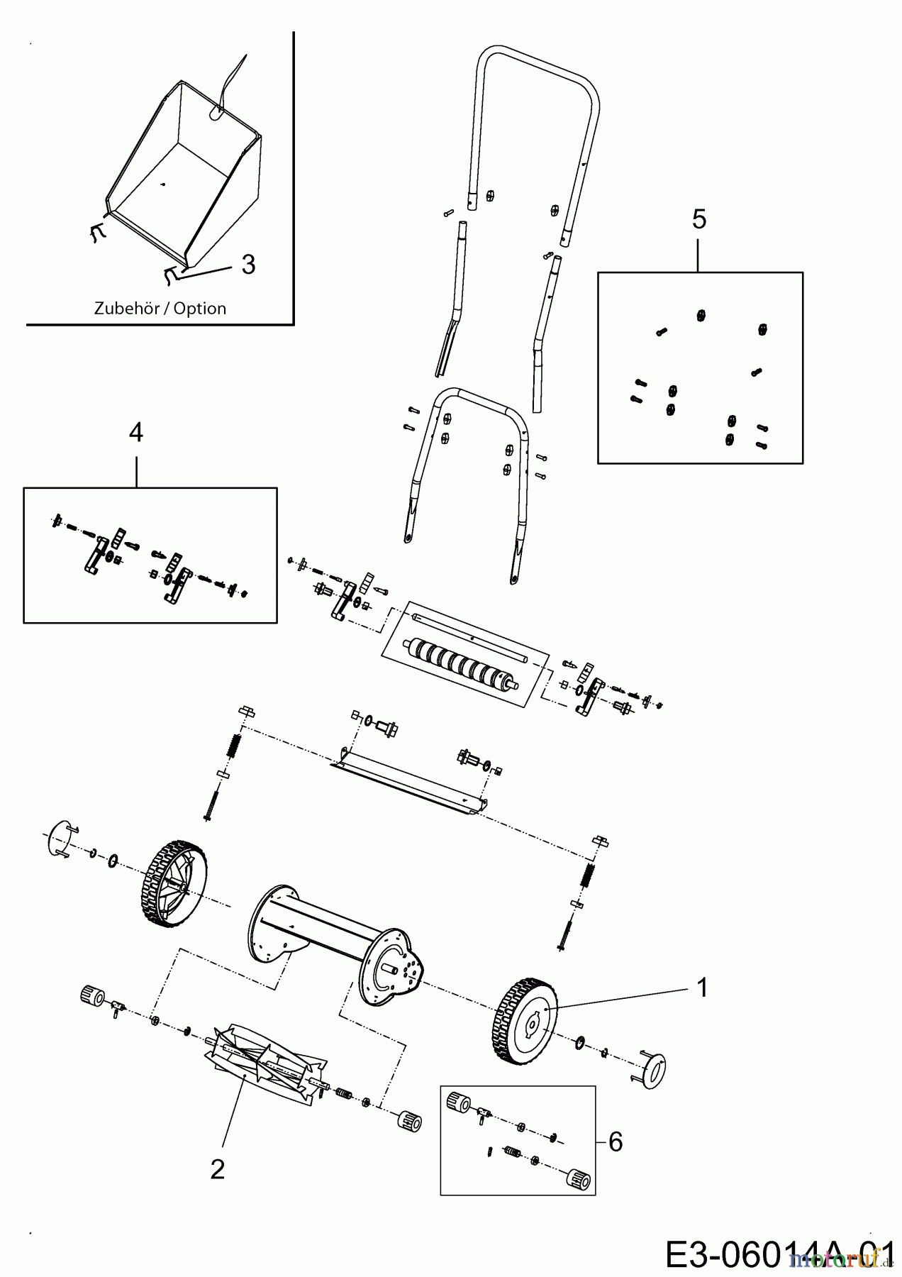
Wolf-Garten TT 350 S 3622000 (2012) Ersatzteile

3622000 (2012) TT 350 S

 Wolf-Garten Spindelmäher TT 350 S 3622000  (2012) Grundgerät

Hier finden Sie die Ersatzteilzeichnung für Wolf-Garten Spindelmäher TT 350 S 3622000 (2012) Grundgerät. Wählen Sie das benötigte Ersatzteil aus der Ersatzteilliste Ihres Wolf-Garten Gerätes aus und bestellen Sie einfach online. Viele Wolf-Garten Ersatzteile halten wir ständig in unserem Lager für Sie bereit.

Rasen
Bankeinzug, MasterCard, Visa, American Express, PayPal, Nachnahme, Vorauskasse, Sofortüberweisung
Qualitätsmanagement
Informieren Sie uns, wenn Sie einen Fehler gefunden haben.