Wolf-Garten TC 32 MAC 3617000 Serie A (2004) Schaltplan Ersatzteile
Schaltplan 3617000 Serie A (2004)

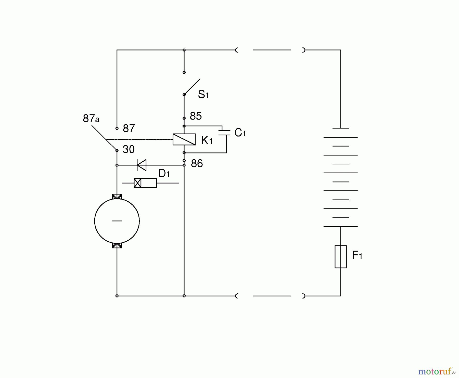
Hier finden Sie die Ersatzteilzeichnung für Wolf-Garten Spindelmäher TC 32 MAC 3617000 Serie A (2004) Schaltplan. Wählen Sie das benötigte Ersatzteil aus der Ersatzteilliste Ihres Wolf-Garten Gerätes aus und bestellen Sie einfach online. Viele Wolf-Garten Ersatzteile halten wir ständig in unserem Lager für Sie bereit.
| BildNr | Artikel Nummer | Bezeichnung | |
| C1 | Kondensator | ||
| D1 | Diode | ||
| F1 | UEberstromausloeser | ||
| S1 | Geraeteschalter | ||
| K1 | Relais | ||


Qualitätsmanagement
Informieren Sie uns, wenn Sie einen Fehler gefunden haben.

