Wolf-Garten SDL 2500 EVO 24AC7G1B650 (2013) Ersatzteile
24AC7G1B650 (2013) SDL 2500 EVO

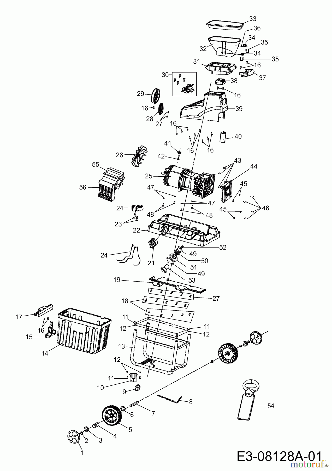
Hier finden Sie die Ersatzteilzeichnung für Wolf-Garten Häcksler SDL 2500 EVO 24AC7G1B650 (2013) Grundgerät. Wählen Sie das benötigte Ersatzteil aus der Ersatzteilliste Ihres Wolf-Garten Gerätes aus und bestellen Sie einfach online. Viele Wolf-Garten Ersatzteile halten wir ständig in unserem Lager für Sie bereit.


Qualitätsmanagement
Informieren Sie uns, wenn Sie einen Fehler gefunden haben.