Wolf-Garten UV 30 EV 3630785 Serie A (2007) Holm Ersatzteile
Holm 3630785 Serie A (2007)

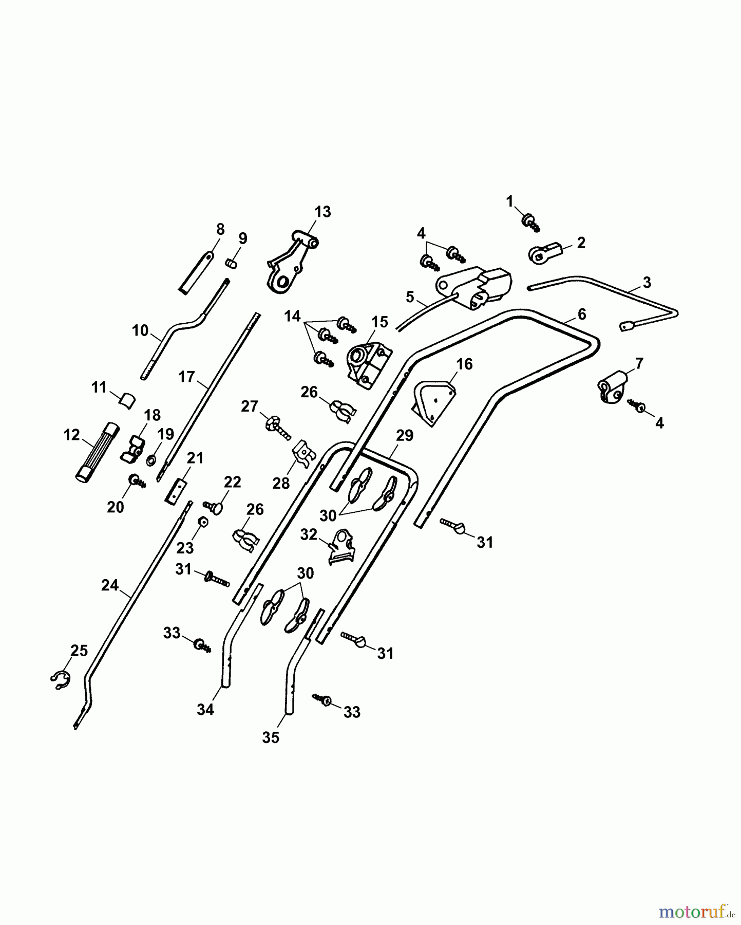
Hier finden Sie die Ersatzteilzeichnung für Wolf-Garten Elektrovertikutierer UV 30 EV 3630785 Serie A (2007) Holm. Wählen Sie das benötigte Ersatzteil aus der Ersatzteilliste Ihres Wolf-Garten Gerätes aus und bestellen Sie einfach online. Viele Wolf-Garten Ersatzteile halten wir ständig in unserem Lager für Sie bereit.


Qualitätsmanagement
Informieren Sie uns, wenn Sie einen Fehler gefunden haben.




