Wolf-Garten Campus 30 V 6022000 Serie A (2009) Ersatzteile
6022000 Serie A (2009) Campus 30 V

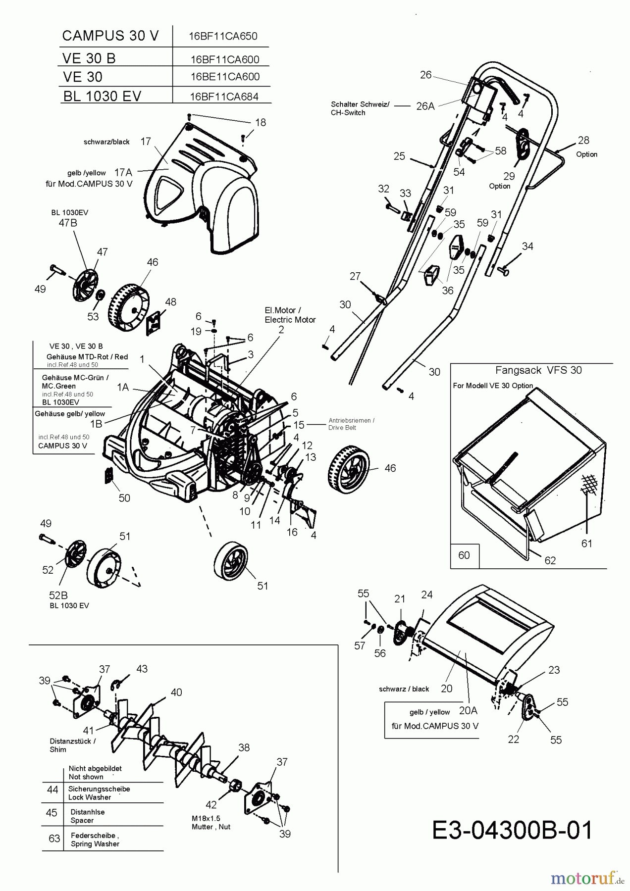
Hier finden Sie die Ersatzteilzeichnung für Wolf-Garten Elektrovertikutierer Campus 30 V 6022000 Serie A (2009) Grundgerät. Wählen Sie das benötigte Ersatzteil aus der Ersatzteilliste Ihres Wolf-Garten Gerätes aus und bestellen Sie einfach online. Viele Wolf-Garten Ersatzteile halten wir ständig in unserem Lager für Sie bereit.


Qualitätsmanagement
Informieren Sie uns, wenn Sie einen Fehler gefunden haben.














