Wolf-Garten 6.51 BA 6950580 Serie A (2000) Messer, Räder Ersatzteile
Messer, Räder 6950580 Serie A (2000)

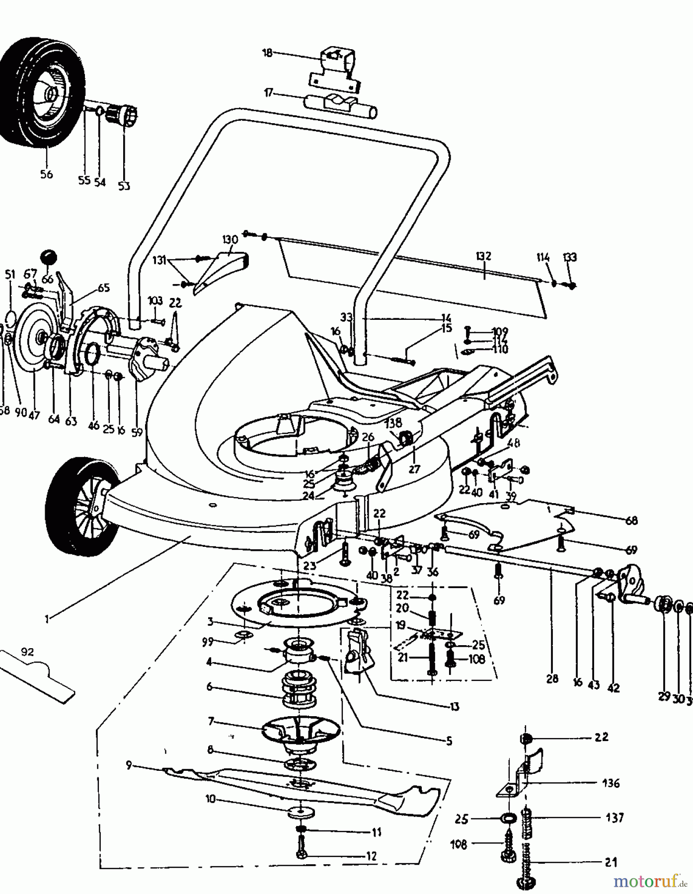
Hier finden Sie die Ersatzteilzeichnung für Wolf-Garten Motormäher mit Antrieb 6.51 BA 6950580 Serie A (2000) Messer, Räder. Wählen Sie das benötigte Ersatzteil aus der Ersatzteilliste Ihres Wolf-Garten Gerätes aus und bestellen Sie einfach online. Viele Wolf-Garten Ersatzteile halten wir ständig in unserem Lager für Sie bereit.


Qualitätsmanagement
Informieren Sie uns, wenn Sie einen Fehler gefunden haben.


