Wolf-Garten 6.51 BA 6950580 Serie A (1996) Mähwerksgehäuse, Messer, Messeraufnahme Ersatzteile
Mähwerksgehäuse, Messer, Messeraufnahme 6950580 Serie A (1996)

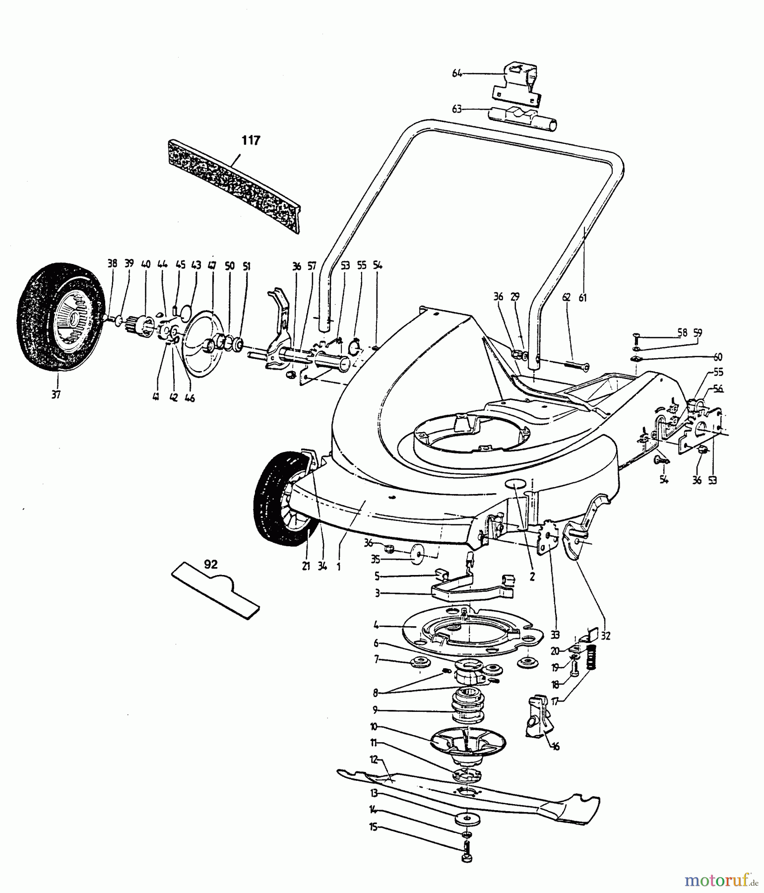
Hier finden Sie die Ersatzteilzeichnung für Wolf-Garten Motormäher mit Antrieb 6.51 BA 6950580 Serie A (1996) Mähwerksgehäuse, Messer, Messeraufnahme. Wählen Sie das benötigte Ersatzteil aus der Ersatzteilliste Ihres Wolf-Garten Gerätes aus und bestellen Sie einfach online. Viele Wolf-Garten Ersatzteile halten wir ständig in unserem Lager für Sie bereit.


Qualitätsmanagement
Informieren Sie uns, wenn Sie einen Fehler gefunden haben.



