Wolf-Garten Campus 32 E 18D-U0C-650 (2010) Heckklappe, Mähwerksgehäuse Ersatzteile
Heckklappe, Mähwerksgehäuse 18D-U0C-650 (2010)

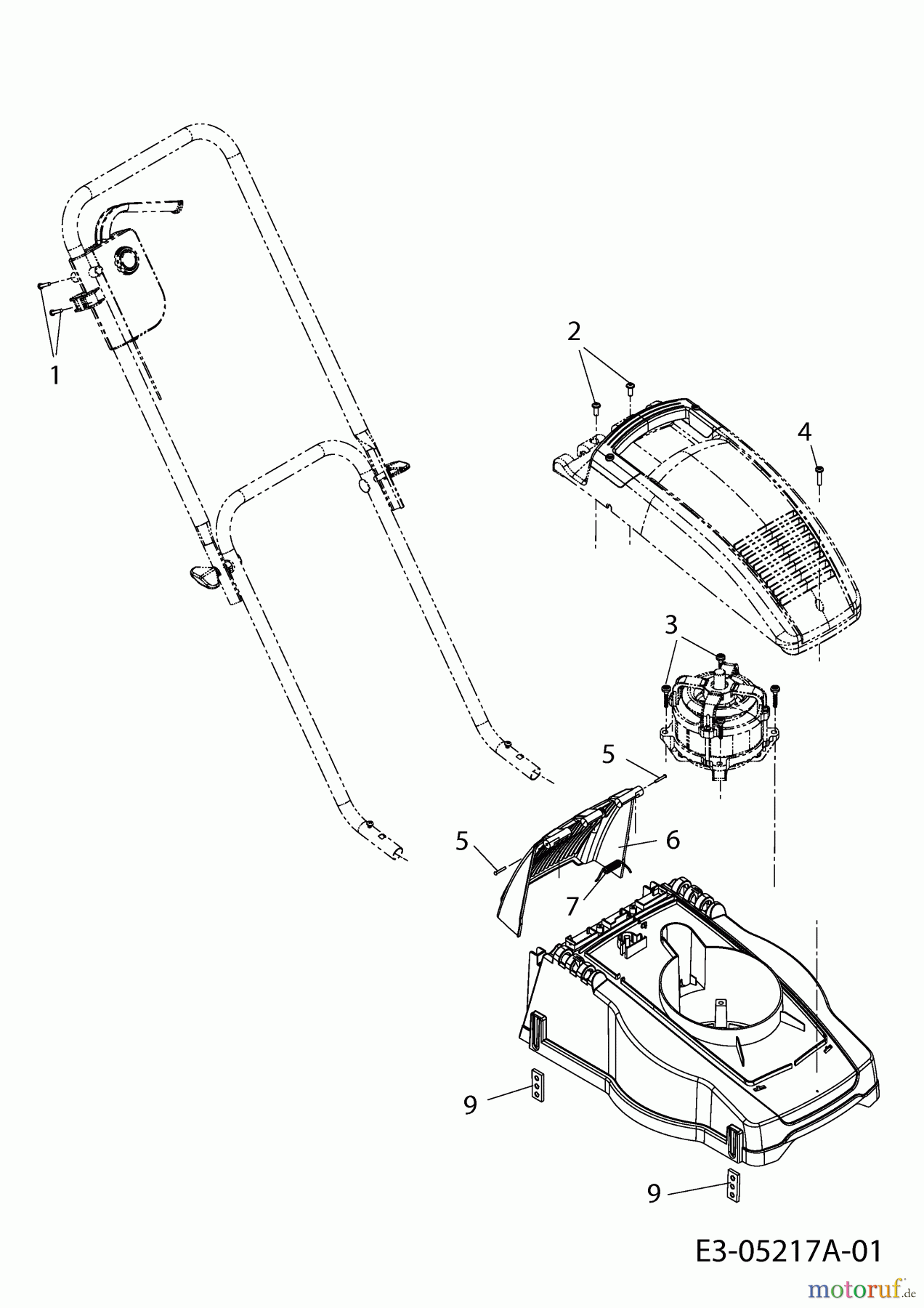
Hier finden Sie die Ersatzteilzeichnung für Wolf-Garten Elektromäher Campus 32 E 18D-U0C-650 (2010) Heckklappe, Mähwerksgehäuse. Wählen Sie das benötigte Ersatzteil aus der Ersatzteilliste Ihres Wolf-Garten Gerätes aus und bestellen Sie einfach online. Viele Wolf-Garten Ersatzteile halten wir ständig in unserem Lager für Sie bereit.


Qualitätsmanagement
Informieren Sie uns, wenn Sie einen Fehler gefunden haben.


