Massey Ferguson MF 20 MD 37AP468D695 (2009) Fahrantrieb, Motor Ersatzteile
Fahrantrieb, Motor 37AP468D695 (2009)

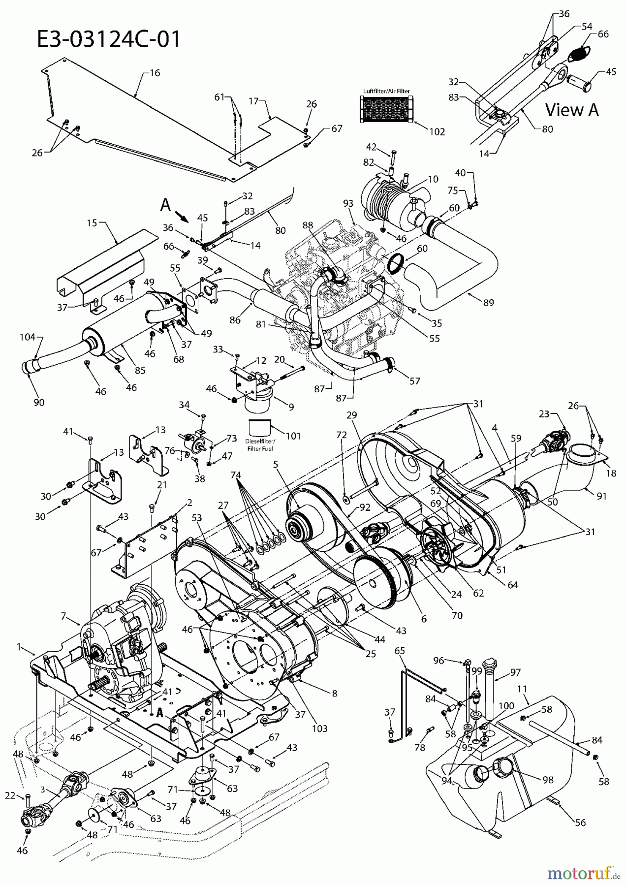
Hier finden Sie die Ersatzteilzeichnung für Massey Ferguson Utility Vehicle MF 20 MD 37AP468D695 (2009) Fahrantrieb, Motor. Wählen Sie das benötigte Ersatzteil aus der Ersatzteilliste Ihres Massey Ferguson Gerätes aus und bestellen Sie einfach online. Viele Massey Ferguson Ersatzteile halten wir ständig in unserem Lager für Sie bereit.


Qualitätsmanagement
Informieren Sie uns, wenn Sie einen Fehler gefunden haben.






















