Massey Ferguson MF 30-13 RH 13AY716A695 (2011) Vorderachse Ersatzteile
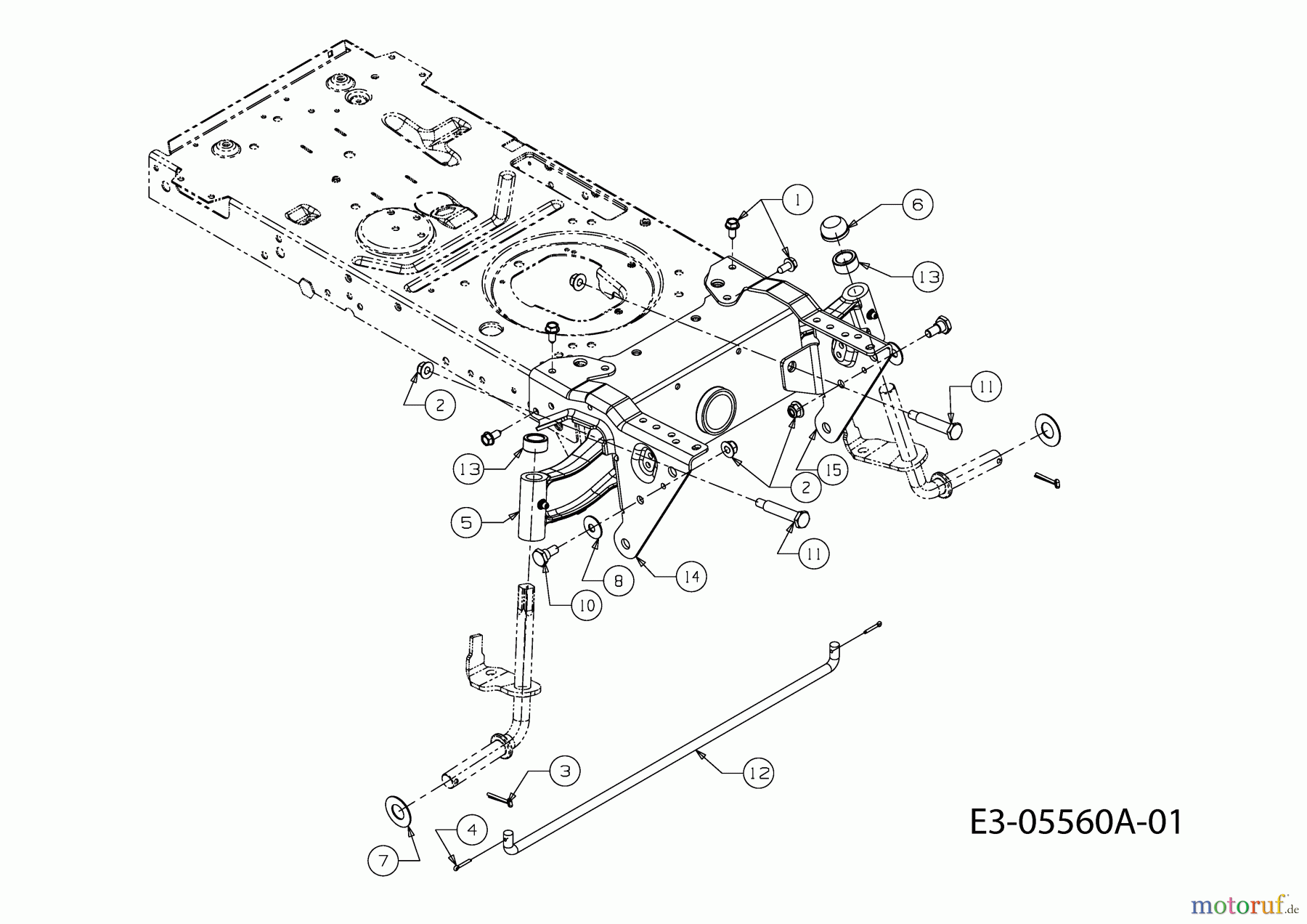
Vorderachse 13AY716A695 (2011)

Hier finden Sie die Ersatzteilzeichnung für Massey Ferguson Rasentraktoren MF 30-13 RH 13AY716A695 (2011) Vorderachse. Wählen Sie das benötigte Ersatzteil aus der Ersatzteilliste Ihres Massey Ferguson Gerätes aus und bestellen Sie einfach online. Viele Massey Ferguson Ersatzteile halten wir ständig in unserem Lager für Sie bereit.


Qualitätsmanagement
Informieren Sie uns, wenn Sie einen Fehler gefunden haben.











