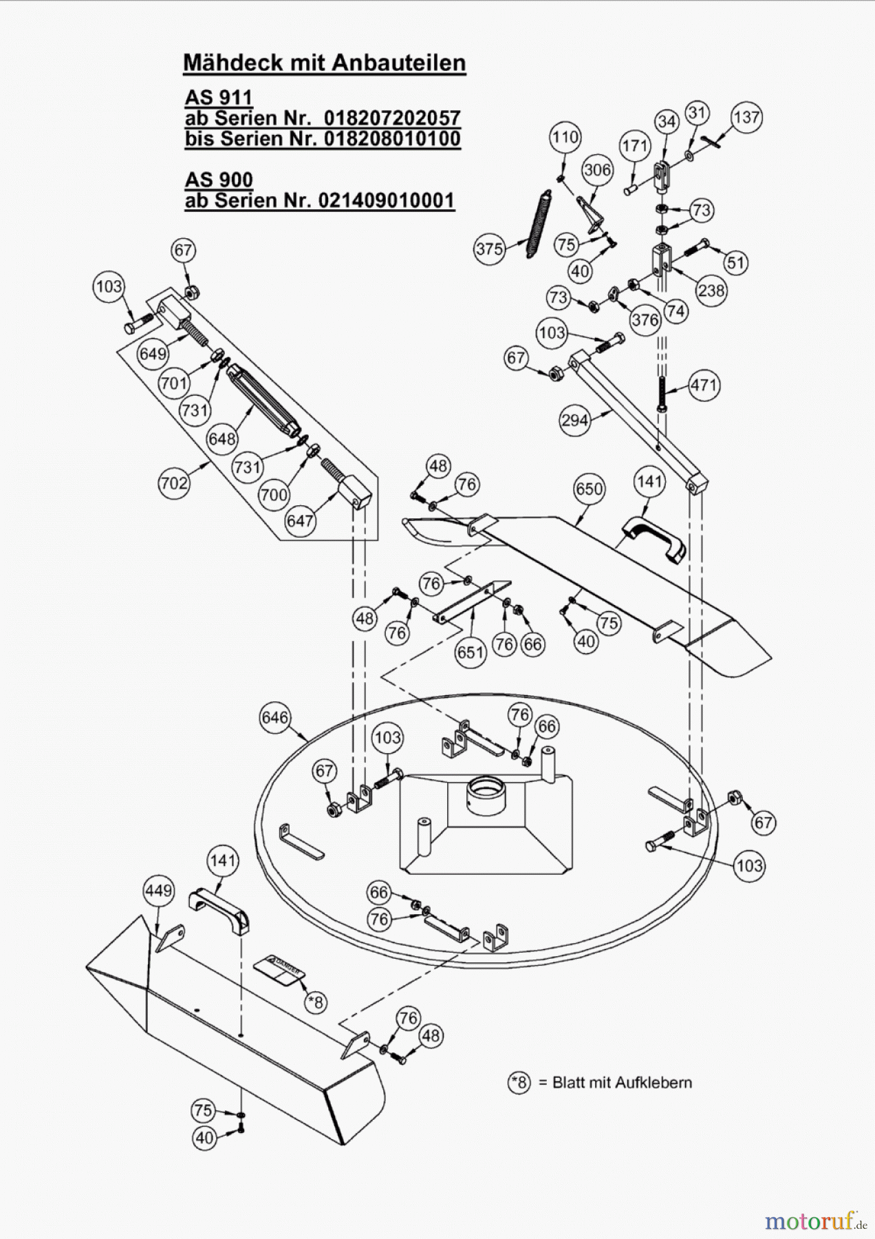
AS-Motor (neu) Aufsitzmäher AS 911, AS 915 Enduro ab FNr. 018207202057 Mähdeck mit Anbauteilen Ersatzteile
Mähdeck mit Anbauteilen ab FNr. 018207202057

Hier finden Sie die Ersatzteilzeichnung für AS-Motor (neu) Hochgras Aufsitzmäher AS 911, AS 915 Enduro ab FNr. 018207202057 Mähdeck mit Anbauteilen. Wählen Sie das benötigte Ersatzteil aus der Ersatzteilliste Ihres AS-Motor (neu) Gerätes aus und bestellen Sie einfach online. Viele AS-Motor (neu) Ersatzteile halten wir ständig in unserem Lager für Sie bereit.


Qualitätsmanagement
Informieren Sie uns, wenn Sie einen Fehler gefunden haben.





