AS-Motor (neu) Ersatzteile für Zubehör Ersatzteile für Zubehör Hinterradbremse AS22 Ersatzteile
Hinterradbremse AS22 Ersatzteile für Zubehör

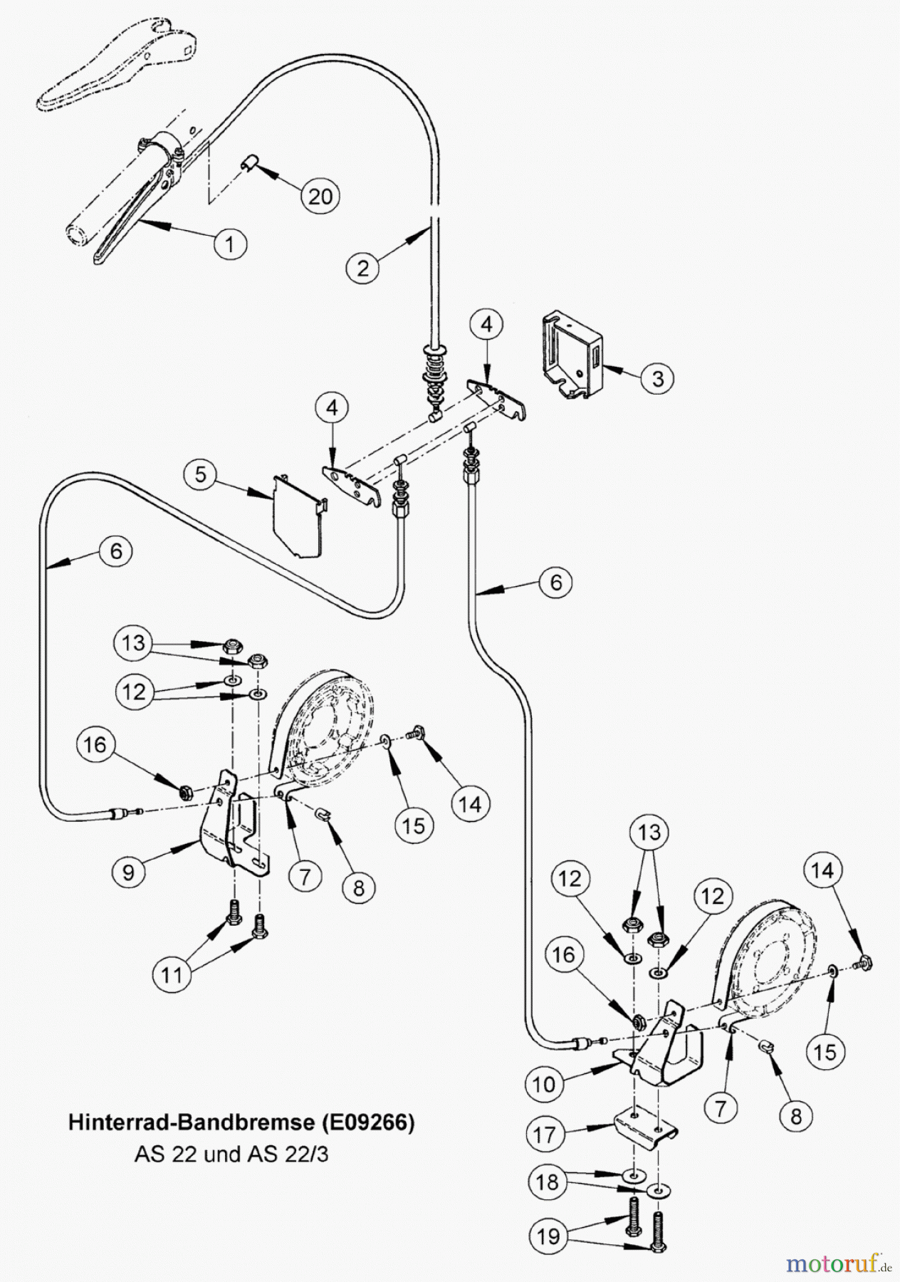
Hier finden Sie die Ersatzteilzeichnung für AS-Motor (neu) Zubehör/ Verschleissteile Ersatzteile für Zubehör Ersatzteile für Zubehör Hinterradbremse AS22. Wählen Sie das benötigte Ersatzteil aus der Ersatzteilliste Ihres AS-Motor (neu) Gerätes aus und bestellen Sie einfach online. Viele AS-Motor (neu) Ersatzteile halten wir ständig in unserem Lager für Sie bereit.


Qualitätsmanagement
Informieren Sie uns, wenn Sie einen Fehler gefunden haben.









